elecena.pl

Programmable Resolution 1-Wire Digital Thermometer With 4-Bit ID

Analog Devices

Programmable Resolution 1-Wire Digital Thermometer With 4-Bit ID RSS Sample
  • Darmowa próbka
MPN:
DS1825
Producent:
ANALOG DEVICES
Dodany do bazy:
Ostatnio widziany:
Zmiana ceny:
-100% (19.01.2025)
Poprzednia cena:
3.05

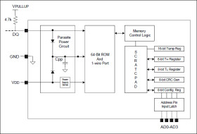
The DS1825 digital thermometer provides 9 to 12-bit centigrade temperature measurements and has an alarm function with NV user-programmable upper and lower trigger points. The DS1825 communicates over a 1-Wire® bus that by definition requires only one data line (and ground) for communication with a central microprocessor. It has an operating temperature range of -55°C to +125°C and is accurate to ±0.5°C over the range of -10°C to +85°C. In addition, the DS1825 can derive power directly from the data line (“parasite power”), eliminating the need for an external power supply.

Each DS1825 has a unique 64-bit serial code, which allows multiple DS1825s to function on the same 1-Wire bus; thus, it is simple to use one microprocessor to control many DS1825s distributed over a large area. In addition, the 4-bit location address can be used to identify specific temperature sensors in the system without requiring a wide lookup table. Applications that can benefit from this feature include HVAC environmental controls, temperature monitoring systems inside buildings, equipment or machinery, and process monitoring and control systems.

Applications

* Consumer Products * Industrial Systems * Thermally Sensitive Systems * Thermometers * Thermostatic Controls

Elecena nie prowadzi sprzedaży elementów elektronicznych, ani w niej nie pośredniczy.

Produkt pochodzi z oferty sklepu