elecena.pl

3.3V/2.5V Multisupply Micromonitor

Analog Devices

3.3V/2.5V Multisupply Micromonitor RSS Sample
  • Darmowa próbka
MPN:
DS1831D
Producent:
ANALOG DEVICES
Dodany do bazy:
Ostatnio widziany:

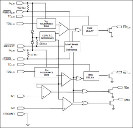
The DS1831C multisupply monitor and reset monitors up to four system voltages: 2.5V supply, 3.3V (or 3V) supply, and two additional user configurable voltage monitors. DS1831 power for internal operation comes from the higher voltage level of the 3.3V input or the 2.5V input. One of these inputs must be greater than 1V for device operation. Pushbutton (manual reset) functionality is provided for the 2.5V reset, the 3.3V reset or for all reset outputs by the master pushbutton. The DS1831D replaces one reference comparator and the master pushbutton with watchdog and the DS1831E replaces the 3.3V active-low PBRST with a last reset status output.

TOL and TD inputs allow user configuration of the DS1831 for multiple applications. The TOL inputs configure the tolerance for the specified output and the TD inputs configure the reset time delays.

* 2.5V power-on reset

* 3.3V (or 3V) power-on reset

* Two referenced comparators with separate outputs for monitoring additional supplies

* Internal power is drawn from higher of either the IN2.5V input or the IN3.3V input

* Excellent for systems designed to operate with multiple power supplies

* Asserts resets during power transients

* Pushbutton reset input for system override

* Maintains reset for user configurable times of 10ms, 100ms, or 1s

* Watchdog timer for software monitoring (DS1831D)

* Precision temperature-compensated voltage reference and voltage sensor

* 16-pin DIP and 16-pin, 150mil SO available

* Operating temperature of -40°C to +85°C

Elecena nie prowadzi sprzedaży elementów elektronicznych, ani w niej nie pośredniczy.

Produkt pochodzi z oferty sklepu