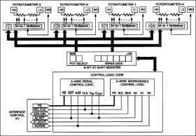
Quad Digital Potentiometer
Analog Devices
RSS
Sample
- Darmowa próbka
- MPN:
- DS1844
- Producent:
- ANALOG DEVICES
- Dodany do bazy:
- Ostatnio widziany:
Sugerowane produkty dla ds1844
The DS1844 Quad Digital Potentiometer combines four 64-position potentiometers for simultaneous control over four parameters. It is available with standard resistance values of 10kΩ, 50kΩ, and 100kΩ for all four potentiometers, or with mixed values within one DS1844.
The quad potentiometer is intended for any application requiring multiple controls, including voltage, current, audio volume and tone, or LCD contrast and brightness levels. The DS1844 operates in power environments ranging from 2.7V to 5.5V and in industrial thermal environments of -40°C to +85°C.
Digital potentiometers replace mechanical parts with digital accuracy, reliability, and the capability for automatic processor control.
* Four independent, digitally controlled 64-position potentiometers
* Two interface control options:
* 5-wire serial
* 2-wire addressable
* Standard resistance values: 10kΩ, 50kΩ, 100kΩ
* Mixed resistor combinations available
* Operating ranges:
* 2.7V to 5.5V
* -40°C to +85°C
Elecena nie prowadzi sprzedaży elementów elektronicznych, ani w niej nie pośredniczy.
Produkt pochodzi z oferty sklepu Analog Devices