SFP+ Controller with Digital LDD Interface
Analog Devices
RSS
Sample
- Darmowa próbka
- MPN:
- DS1878
- Producent:
- ANALOG DEVICES
- Dodany do bazy:
- Ostatnio widziany:
- Zmiana ceny:
- -100% (17.01.2025)
- Poprzednia cena:
- 2.50
Sugerowane produkty dla ds1878
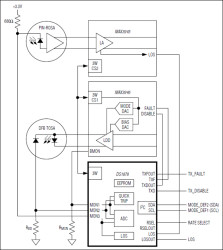
The DS1878 controls and monitors all functions for SFF, SFP, and SFP+ modules including all SFF-8472 functionality. The combination of the DS1878 with Maxim laser driver/limiting amplifier solutions supports VCSEL, DFB, and EML-based solutions. The device provides APC loop, modulation current control, and eye safety functionality. It continuously monitors for high output current, high bias current, and low and high transmit power to ensure that laser shutdown for eye safety requirements are met without adding external components. Six ADC channels monitor VCC, temperature, and four external monitor inputs (MON1–MON4) that can be used to meet all monitoring requirements. MON3 is differential with support for common mode to VCC. Two digital-to-analog (DAC) outputs with temperature-indexed lookup tables (LUTs) are available for additional control functionality.
Applications
* SFF, SFP, and SFP+ Transceiver Modules
* Meets All SFF-8472 Control and Monitoring Requirements
* Laser Bias Controlled by APC Loop and Temperature LUT to Compensate for Tracking Error
* Laser Modulation Controlled by Temperature LUT
* Six Analog Monitor Channels: Temperature, VCC, MON1–MON4
* MON1–MON4 Support Internal and External Calibration
* Scalable Dynamic Range
* Internal Direct-to-Digital Temperature Sensor
* Alarm and Warning Flags for All Monitored Channels
* Two 9-Bit Delta-Sigma Outputs with 36 Entry Temperature LUTs
* Digital I/O Pins: Five Inputs, Four Outputs
* Comprehensive Fault-Measurement System with Maskable Laser Shutdown Capability
* Flexible, Two-Level Password Scheme Provides Three Levels of Security
* 256 Additional Bytes Located at A0h Slave Address
* I²C-Compatible Interface
* 3-Wire Master to Communicate with a Maxim Laser Driver/Limiting Amplifier
* +2.85V to +5.5V Operating Voltage Range
* -40°C to +95°C Operating Temperature Range
* 28-Pin TQFN (5mm x 5mm x 0.75mm) Package
Elecena nie prowadzi sprzedaży elementów elektronicznych, ani w niej nie pośredniczy.
Produkt pochodzi z oferty sklepu Analog Devices