elecena.pl

SFP Controller for Dual Rx Interface

Analog Devices

SFP Controller for Dual Rx Interface RSS Sample
  • Darmowa próbka
MPN:
DS1877
Producent:
ANALOG DEVICES
Dodany do bazy:
Ostatnio widziany:
Zmiana ceny:
-100% (19.01.2025)
Poprzednia cena:
2.77

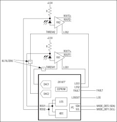
The DS1877 controls and monitors all functions for SFF, SFP, and SFP+ modules including all SFF-8472 functionality. The device supports all LOS functions for two receivers, and continually monitors for LOS of either channel. Four ADC channels monitor VCC, temperature, and two differential external monitor inputs that can be used to meet all monitoring requirements. Two digital-to-analog converter (DAC) outputs with temperature-indexed lookup tables (LUTs) are available for additional monitoring and control functionality.

Applications

* Dual Rx Video SFPs * SFF, SFP, and SFP+ Transceiver Modules

* Meets All SFF-8472 Control and Monitoring Requirements

* Four Analog Monitor Channels: Temperature, VCC, RSSI1, RSSI2

* RSSI1 and RSSI2 Support Internal and External Calibration

* Differential Input

* Common-Mode Range from GND to VCC

* Scalable Dynamic Range

* Internal Direct-to-Digital Temperature Sensor

* Alarm and Warning Flags for All Monitored Channels

* Two 10-Bit Delta-Sigma Outputs

* Each Controlled by 72-Entry Temperature LUT

* Digital I/O Pins: Four Inputs, Four Outputs

* Comprehensive Loss-of-Signal (LOS) Detection System

* Flexible, Two-Level Password Scheme Provides Three Levels of Security

* 120 Bytes of Password-1 Protected Memory

* 128 Bytes of Password-2 Protected Memory in Main Device Address

* 256 Additional Bytes Located at A0h Slave Address

* Receiver 1 is Accessed at A2h Slave Address

* Receiver 2 is Accessed at B2h Slave Address

* I²C-Compatible Interface

* +2.85V to +3.9V Operating Voltage Range

* -40°C to +95°C Operating Temperature Range

* 28-Pin TQFN (5mm x 5mm x 0.75mm) Package

Elecena nie prowadzi sprzedaży elementów elektronicznych, ani w niej nie pośredniczy.

Produkt pochodzi z oferty sklepu