iButton RTC
Analog Devices
RSS
Sample
- Darmowa próbka
- MPN:
- DS1904
- Producent:
- ANALOG DEVICES
- Dodany do bazy:
- Ostatnio widziany:
- Zmiana ceny:
- -100% (20.01.2025)
- Poprzednia cena:
- 7.03
Sugerowane produkty dla ds1904
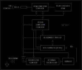
The iButton® RTC (DS1904) is a rugged real-time clock module that can be accessed with minimal hardware. Data is transferred serially by the 1-Wire® protocol, which requires only a single data lead and a ground return. The DS1904 contains a unique 64-bit factory-lasered ROM and a real-time clock/calendar implemented as a binary counter. The durable MicroCan® package is highly resistant to environmental hazards such as dirt, moisture, and shock. Accessories permit the DS1904 to be mounted on almost any surface including printed circuit boards and plastic key fobs. The DS1904 adds functions such as calendar, time and date stamp, stopwatch, hour meter, interval timer, and logbook to any type of electronic device or embedded application that uses a microcontroller.
* Real-Time Clock/calendar in binary format
* Uses the same binary time/date representation as the DS1994 but with 1 second resolution
* Clock accuracy is better than ±2 minutes per month at 25°C
* Operating temperature range from -40°C to +85°C
* Over 10 years of operation
* Unique, factory-lasered and tested 64-bit registration number (8-bit family code + 48-bit serial number + 8-bit CRC tester) assures absolute traceability because no two parts are alike
* Multidrop controller for MicroLAN
* Digital identification and information by momentary contact
* Chip-based data carrier compactly stores in-formation
* Data can be accessed while affixed to object
* Economically communicates to host with a single digital signal at 16.3kbps
* Standard 16mm diameter and 1-Wire®protocol ensure compatibility with iButton® Device family
* Button shape is self-aligning with cup-shaped probes
* Durable stainless steel case engraved with registration number withstands harsh environments
* Easily affixed with self-stick adhesive backing, latched by its flange, or locked with a ring pressed onto its rim
* Presence detector acknowledges when reader first applies voltage
Elecena nie prowadzi sprzedaży elementów elektronicznych, ani w niej nie pośredniczy.
Produkt pochodzi z oferty sklepu Analog Devices