3.3V E1/T1/J1 Line Interface
Analog Devices
RSS
Sample
- Darmowa próbka
- MPN:
- DS21348
- Producent:
- ANALOG DEVICES
- Dodany do bazy:
- Ostatnio widziany:
Sugerowane produkty dla or128
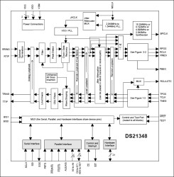
The DS21348 is a complete selectable E1 or T1 line interface unit (LIU) for short-haul and long-haul applications. Throughout the data sheet, J1 is represented wherever T1 exists. Receive sensitivity adjusts automatically to the incoming signal and can be programmed for 0dB to 12dB or 0dB to 43dB for E1 applications and 0dB to 30dB or 0dB to 36dB for T1 applications. The device can generate the necessary G.703 E1 waveshapes in 75Ω or 120Ω applications and DSX-1 line build-outs or CSU line build-outs of 0dB, -7.5dB, -15dB, and -22.5dB for T1 applications. The crystal-less on-board jitter attenuator requires only a 2.048MHz MCLK for both E1 and T1 applications (with the option of using a 1.544MHz MCLK in T1 applications). The jitter attenuator FIFO is selectable to either 32 bits or 128 bits in depth and can be placed in either the transmit or receive data paths. An X 2.048MHz output clock synthesized to RCLK is available for use as a backplane system clock (where n = 1, 2, 4, or 8).
The DS21348 has diagnostic capabilities such as loopbacks and PRBS pattern generation/detection. 16- bit loop-up and loop-down codes can be generated and detected. The device can be controlled through an 8-bit parallel muxed or nonmuxed port, serial port, or used in hardware mode. The device fully meets all of the latest E1 and T1 specifications including ANSI T1.403-1999, ANSI T1.408, AT&T TR 62411, ITU G.703, G.704, G.706, G.736, G.775, G.823, I.431, O.151, O.161, ETSI ETS 300 166, JTG.703, JTI.431, JJ-20.1, TBR12, TBR13, and CTR4.
* Complete E1, T1, or J1 line interface unit (LIU)
* Supports both long-haul and short-haul trunks
* Internal software-selectable receive-side termination for 75Ω/100Ω/120Ω
* 3.3V power supply
* 32-bit or 128-bit crystal-less jitter attenuator requires only a 2.048MHz master clock for both E1 and T1 with option to use 1.544MHz for T1
* Generates the appropriate line build-outs, with and without return loss, for E1 and DSX-1 and CSU line build-outs for T1
* AMI, HDB3, and B8ZS, encoding/decoding
* 16.384MHz, 8.192MHz, 4.096MHz, or 2.048MHz clock output synthesized to recovered clock
* Programmable monitor mode for receiver
* Loopbacks and PRBS pattern generation/detection with output for received errors
* Generates/detects in-band loop codes, 1 to 16 bits including CSU loop codes
* 8-bit parallel or serial interface with optional hardware mode
* Muxed and nonmuxed parallel bus supports Intel or Motorola
* Detects/generates blue (AIS) alarms
* NRZ/bipolar interface for TX/RX data I/O
* Transmit open-circuit detection
* Receive carrier loss (RCL) indication (G.775)
* High-Z state for TTIP and TRING
* 50mA (rms) current limiter
Elecena nie prowadzi sprzedaży elementów elektronicznych, ani w niej nie pośredniczy.
Produkt pochodzi z oferty sklepu Analog Devices