elecena.pl

3.3V T1/J1 Line Interface Unit

Analog Devices

3.3V T1/J1 Line Interface Unit RSS Sample
  • Darmowa próbka
MPN:
DS21349
Producent:
ANALOG DEVICES
Dodany do bazy:
Ostatnio widziany:

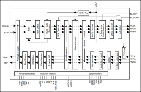
The DS21349 is a fully integrated LIU for long-haul or short-haul T1 applications over twisted-pair installations. It interfaces to two twisted-pair linesone pair for transmit and one pair for receive through an appropriate network interface. The device can be configured for control through software or hardware mode. Software control is accomplished over a serial port, in hardware mode; individual pin settings allow standalone operation. The device provides a precise, crystal-less jitter attenuator that can be placed in either the transmit or receive path.

Applications

* Channel Banks * Channel Service Units (CSUs) * Data Service Units (DSUs) * Muxes * Routers/Switches * Routers/Switches * T1/E1 Test Equipment

* Fully integrated line interface unit (LIU)

* Pin compatible with LevelOne LXT362

* Supports both long haul and short haul

* Crystal-less jitter attenuator

* Jitter attenuator programmable for transmit or receive path

* Meets ANSI T1.102, T1.403, T1.408, and AT&T 62411

* Usable receive sensitivity of 0dB to -36dB that allows the device to operate on 0.63mm (22AWG) cables up to 6k feet in length

* Five line buildout settings for short-haul applications

* Four CSU filters from 0dB to -22.5dB

* Transmit/receive performance monitors with driver-fail, monitor-open, and loss-of-signal outputs

* Bipolar or NRZ interface

* Programmable B8ZS encoder/decoder

* QRSS generator/detector

* Local, remote, and analog loopbacks

* Generates and detects in-band loop-up and loop-down codes

* Serial interface provides access to control registers

Elecena nie prowadzi sprzedaży elementów elektronicznych, ani w niej nie pośredniczy.

Produkt pochodzi z oferty sklepu