elecena.pl

3.3V E1/T1/J1 Quad Line Interface

Analog Devices

3.3V E1/T1/J1 Quad Line Interface RSS Sample
  • Darmowa próbka
MPN:
DS21448
Producent:
ANALOG DEVICES
Dodany do bazy:
Ostatnio widziany:

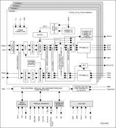
The DS21448 is a quad-port E1 or T1 line interface unit (LIU) for short-haul and long-haul applications. It incorporates four independent transmitters and four independent receivers in a single 144-pin PBGA or 128-pin LQFP package. The transmit drivers generate the necessary G.703 E1 waveshapes in 75Ω or 120Ω applications and the DSX-1 or CSU line build-outs of 0dB, -7.5dB, -15dB, and -22.5dB for T1 applications.

Applications

* Central-Office Switches and PBX Interfaces * Integrated Multiservice Access Platforms * T1/E1 Cross-Connects, Multiplexers, and Channel Banks * T1/E1 LAN/WAN Routers * Wireless Base Stations

* Four Complete E1, T1, or J1 LIUs

* Supports Long- and Short-Haul Trunks

* Internal Software-Selectable Receive-Side Termination for 75Ω/100Ω/120Ω

* 3.3V Power Supply

* 32-Bit or 128-Bit Crystal-Less Jitter Attenuator Requires Only a 2.048MHz Master Clock for E1 and T1, with the Option to Use 1.544MHz for T1

* Generates the Appropriate Line Build-Outs With and Without Return Loss for E1, and DSX-1 and CSU Line Build-Outs for T1

* AMI, HDB3, and B8ZS Encoding/Decoding

* 16.384MHz, 8.192MHz, 4.096MHz, or 2.048MHz Clock Output Synthesized to Recovered Clock

* Programmable Monitor Mode for Receiver

* Loopbacks and PRBS Pattern Generation/ Detection with Output for Received Errors

* Generates/Detects In-Band Loop Codes, 1 to 16 Bits, Including CSU Loop Codes

* 8-Bit Parallel or Serial Interface with Optional Hardware Mode

* Muxed and Nonmuxed Parallel Bus Supports Intel or Motorola

* Detects/Generates Blue (AIS) Alarms

* NRZ/Bipolar Interface for Tx/Rx Data I/O

* Transmit Open-Circuit Detection

* Receive Carrier Loss (RCL) Indication (G.775)

* High-Z State for TTIP and TRING

* 50mARMSTransmit Current Limiter

* JTAG Boundary Scan Test Port per IEEE 1149.1

* Meets Latest E1 and T1 Specifications Including ANSI.403-1999, ANSI T1.408, AT&T TR 62411, ITU G.703, G.704, G.706, G.736, G.775, G.823, I.431, O.151, O.161, ETSI ETS 300 166, JTG.703, JTI.431, TBR12, TBR13, and CTR4

Elecena nie prowadzi sprzedaży elementów elektronicznych, ani w niej nie pośredniczy.

Produkt pochodzi z oferty sklepu