elecena.pl

8-Channel Cold-Cathode Fluorescent Lamp Controller

Analog Devices

8-Channel Cold-Cathode Fluorescent Lamp Controller RSS Sample
  • Darmowa próbka
MPN:
DS3988
Producent:
ANALOG DEVICES
Dodany do bazy:
Ostatnio widziany:

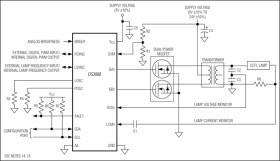
The DS3988 is an 8-channel controller for cold-cathode fluorescent lamps (CCFLs) used to backlight liquid crystal displays (LCDs) in TV and PC monitor applications. The DS3988 supports configurations of 1 to 8 lamps, and multiple DS3988 controllers can be cascaded to support applications requiring more than 8 lamps.

Applications

* LCD PC Monitors * LCD TVs

* High-Density CCFL Controller for LCD TV and PC Monitor Backlights

* Can Be Easily Cascaded to Support More Than 8 Lamps

* Minimal External Components

* Analog Brightness Control

* Per-Channel Lamp Control Ensures Equal Brightness Among Lamps and Maximizes Lamp Life

* Gate Driver Phasing Minimizes DC Supply Current Surges

* Per-Channel Lamp Fault Monitoring for Lamp Open, Lamp Overcurrent, Failure to Strike, and Overvoltage Conditions

* Accurate (±5%) Independent On-Board Oscillators for Lamp Frequency (40kHz to 80kHz) and DPWM Burst Dimming Frequency (22.5Hz to 440Hz)

* Can Be Synchronized to External Sources for the Lamp and DPWM Frequencies

* <10% to 100% Dimming Range

* Programmable Soft-Start Minimizes Audible Transformer Noise

* I²C-Compatible Serial Port and On-Board Nonvolatile (NV) Memory Allow Device Customization

* 8-Byte NV User Memory for Storage of Serial Numbers and Date Codes

* 4.5V to 5.5V Single-Supply Operation

* -40°C to +85°C Temperature Range

* 48-Lead TQFP (7mm x 7mm) Package

Elecena nie prowadzi sprzedaży elementów elektronicznych, ani w niej nie pośredniczy.

Produkt pochodzi z oferty sklepu