elecena.pl

4-Channel Cold-Cathode Fluorescent Lamp Controller

Analog Devices

4-Channel Cold-Cathode Fluorescent Lamp Controller RSS Sample
  • Darmowa próbka
MPN:
DS3994
Producent:
ANALOG DEVICES
Dodany do bazy:
Ostatnio widziany:

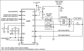
The DS3994 is a 4-channel controller for cold-cathode fluorescent lamps (CCFLs) that backlight liquid crystal displays (LCDs) in TV and PC monitor applications. The DS3994's features make it suitable for use in even the largest LCDs, while its low BOM cost makes it ideal for the entire range of LCD TVs and monitors.

The DS3994 can stagger the lamp bursts from each of the four channels. This feature allows scanning backlight schemes for video quality improvement to be implemented using a single CCFL controller IC, making it very simple and inexpensive to provide this enhancement. In addition, staggering the bursts from each channel can be used to minimize current ripple on the display power supply, which is especially important for larger LCDs. The relative stagger between each of the channels is programmable, so this feature can be tailored to the specific application.

The DS3994 uses a push-pull drive architecture but it can also support full and half bridge drive schemes. Contact the factory for more details.

Applications

* LCD PC Monitors * LCD-TVs

* High-Density CCFL Controller for LCD TV and PC Monitor Backlights

* Programmable Staggered Start for Burst Dimming on Each Channel

* Strike Frequency Boost Option

* Programmable Strike Time

* Can Be Easily Cascaded

* Minimal External Components

* Analog Brightness Control

* Gate Driver Phasing Minimizes DC Supply Current Surges

* Per-Channel Lamp Fault Monitoring for Lamp Open, Lamp Overcurrent, Failure to Strike, and Overvoltage Conditions

* Accurate (±2%) On-Board Oscillator Lamp Frequency (20kHz to 80kHz)

* Wide Range On-Board DPWM Burst-Dimming Oscillator (22.5Hz to 440Hz)

* Can Be Synchronized to External Sources for the Lamp and DPWM Frequencies

* < 10% to 100% Dimming Range

* Soft-Start Minimizes Audible Transformer Noise

* I²C-Compatible Serial Port and On-Board Nonvolatile (NV) Memory Allow Device Customization

* 3-Byte NV User Memory for Storage of Serial Numbers and Date Codes

* 4.5V to 5.5V Single-Supply Operation

* -40°C to +85°C Temperature Range

* 28-Pin SO (300 mils) Package

Elecena nie prowadzi sprzedaży elementów elektronicznych, ani w niej nie pośredniczy.

Produkt pochodzi z oferty sklepu