elecena.pl

Soft Microcontroller Module

Analog Devices

Soft Microcontroller Module RSS Sample
  • Darmowa próbka
MPN:
DS5000T
Producent:
ANALOG DEVICES
Dodany do bazy:
Ostatnio widziany:

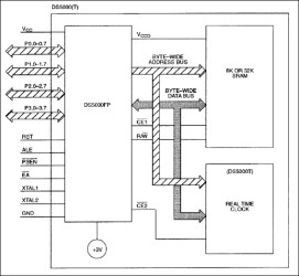
The DS5000(T) Soft Microcontroller Module is a fully 8051-compatible 8-bit CMOS microcontroller that offers "softness" in all aspects of its application. This is accomplished through the comprehensive use of nonvolatile technology to preserve all information in the absence of system VCC. The internal program/data memory space is implemented using either 8 or 32 kbytes of nonvolatile CMOS SRAM. Furthermore, internal data registers and key configuration registers are also nonvolatile. An optional realtime clock (RTC) gives permanently powered timekeeping. The clock keeps time to a hundredth of a second using an on-board crystal.

Note: Designers must have the following documents to fully use all the features of this device. This data sheet contains pin descriptions, feature overviews, and electrical specifications. Errata sheets contain deviations from published specifications. The user's guides offer detailed information about device features and operation.

* DS5000T IC data sheet

* DS5000T revision-specific errata sheet (Click here for availability)

* Secure Microcontroller User's Guide

* 8-Bit 8051-Compatible Microcontroller Adapts to Task at Hand

* 8 or 32 kbytes of Nonvolatile RAM for Program and/or Data Memory Storage

* Initial Downloading of Software in End System via On-Chip Serial Port

* Capable of Modifying Its Own Program and/or Data Memory in End Use

* Crashproof Operation

* Maintains All Nonvolatile Resources for 10 Years in the Absence of VCC at Room Temperature

* Power-Fail Reset

* Early Warning Power-Fail Interrupt

* Watchdog Timer

* Software Security Feature

* Executes Encrypted Software to Prevent Unauthorized Disclosure

* On-Chip, Full-Duplex Serial I/O Ports

* Two On-Chip Timer/Event Counters

* 32 Parallel I/O Lines

* Compatible with Industry Standard 8051

* Instruction Set and Pinout

* Optional Permanently Powered Real-Time Clock (DS5000T)

Elecena nie prowadzi sprzedaży elementów elektronicznych, ani w niej nie pośredniczy.

Produkt pochodzi z oferty sklepu