elecena.pl

Automatic RF MESFET Amplifier Drain-Current Controllers

Analog Devices

Automatic RF MESFET Amplifier Drain-Current Controllers RSS Sample
  • Darmowa próbka
MPN:
MAX11015
Producent:
ANALOG DEVICES
Dodany do bazy:
Ostatnio widziany:

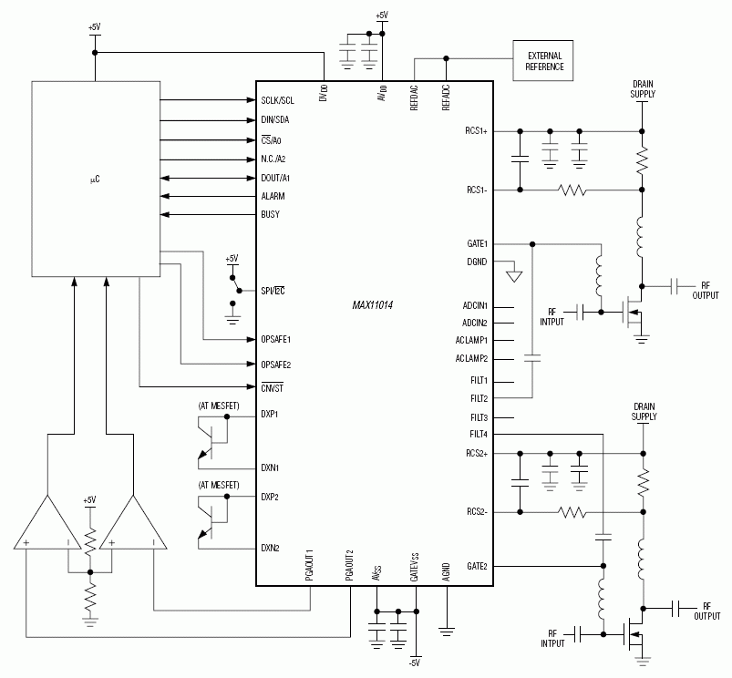
The MAX11014/MAX11015 set and control bias conditions for dual MESFET power devices found in point-to-point communication and other microwave base stations. The MAX11014 integrates complete dual analog closed-loop drain-current controllers for Class A MESFET amplifier operation, while the MAX11015 targets Class AB operation. Both devices integrate SRAM lookup tables (LUTs) that can be used to store temperature and drain-current compensation data.

Each device includes dual high-side current-sense amplifiers to monitor the MESFET drain currents through the voltage drop across the sense resistors in the 0 to 625mV range. External diode-connected transistors monitor the MESFET temperatures while an internal temperature sensor measures the local die temperature of the MAX11014/MAX11015. The internal DAC sets the voltages across the current-sense resistors by controlling the GATE voltages. The internal 12-bit SAR ADC digitizes internal and external temperature, internal DAC voltages, current-sense amplifier voltages, and external GATE voltages. Two of the 11 ADC channels are available as general-purpose analog inputs for analog system monitoring.

The MAX11014's gate-drive amplifier functions as an integrator for the Class A drain-current control loop while the MAX11015's gate-drive amplifier functions with a gain of -2 for Class AB applications. The current-limited gate-drive amplifier can be fast clamped to an external voltage independent of the digital input from the serial interface. Both the MAX11014 and the MAX11015 include self-calibration modes to minimize error over time, temperature, and supply voltage.

The MAX11014/MAX11015 feature an internal reference and can operate from separate ADC and DAC external references. The internal reference provides a well-regulated, low-noise +2.5V reference for the ADC, DAC, and temperature sensors. These integrated circuits operate from a 4-wire 20MHz SPI™-/MICROWIRE™-compatible or 3.4MHz I²C-compatible serial interface (pin-selectable). Both devices operate from a +4.75V to +5.25V analog supply (2.8mA typical supply current), a +2.7V to +5.25V digital supply (1.5mA typical supply current), and a -4.5V to -5.5V negative supply (1.1mA supply current). The MAX11014/MAX11015 are available in a 48-pin thin QFN package specified over the -40°C to +105°C temperature range.

Applications

* Cellular Base-Station RF MESFET Bias Controllers * Industrial Process Control * Point-to-Point or Point-to-Multipoint Links

* Dual Drain-Current-Sense Gain Amplifier

* Preset Gain of 4

* ±0.5% Accuracy for Sense Voltages Between 75mV and 625mV (MAX11014)

* Common-Mode Sense-Resistor Voltage Range

* 0.5V to 11V (MAX11014)

* 5V to 32V (MAX11015)

* Low-Noise Output GATE Bias with ±10mA GATE Drive

* Fast Clamp and Power-On Reset

* 12-Bit DAC Controls MESFET GATE Voltage

* Internal Temperature Sensor/Dual Remote Diode Temperature Sensors

* Internal 12-Bit ADC Measures Temperature and Voltage

* Pin-Selectable Serial Interface

* 3.4MHz I²C-Compatible Interface

* 20MHz SPI-/MICROWIRE-Compatible Interface

Elecena nie prowadzi sprzedaży elementów elektronicznych, ani w niej nie pośredniczy.

Produkt pochodzi z oferty sklepu