elecena.pl

±15kV ESD-Protected Touch-Screen Controllers Include DAC and Keypad Controller

Analog Devices

±15kV ESD-Protected Touch-Screen Controllers Include DAC and Keypad Controller RSS Sample
  • Darmowa próbka
MPN:
MAX1234
Producent:
ANALOG DEVICES
Dodany do bazy:
Ostatnio widziany:

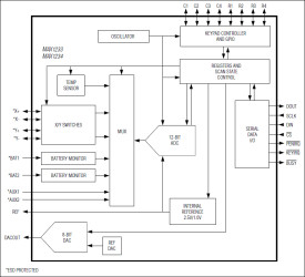
The MAX1233/MAX1234 are complete PDA controllers in 5mm x 5mm, 28-pin QFN and TQFN packages. They feature a 12-bit analog-to-digital converter (ADC), low on-resistance switches for driving resistive touch screens, an internal +1.0V/+2.5V or external reference, ±2°C accurate, on-chip temperature sensor, direct +6V battery monitor, keypad controller, 8-bit digital-to-analog converter (DAC), and a synchronous serial interface. Each of the keypad controllers' eight row and column inputs can be reconfigured as general-purpose parallel I/O pins (GPIO). All analog inputs are fully ESD protected, eliminating the need for external TransZorb™ devices.

The MAX1233/MAX1234 offer programmable resolution and sampling rates. Interrupts from the devices alert the host processor when data is ready, when the screen is touched, or a key press is detected. Software-configurable scan control and internal timers give the user flexibility without burdening the host processor. These devices consume only 260µA at the maximum sampling rate of 50ksps. Supply current falls to below 50µA for sampling rates of 10ksps. The MAX1233/MAX1234 are guaranteed over the -40°C to +85°C temperature range.

Applications

* Cellular Phones * MP3 Players * Pagers * Personal Digital Assistants * Point-of-Sale Terminals * Portable Instruments * Touch-Screen Monitors

* ESD-Protected Analog Inputs

* ±15kV IEC 1000-4-2 Air-Gap Discharge

* ±8kV IEC 1000-4-2 Contact Discharge

* Single-Supply Operation

* +2.7V to +3.6V (MAX1233)

* +4.75V to +5.25V (MAX1234)

* 4-Wire Touch-Screen Interface

* Internal +1.0V/+2.5V Reference or External Reference (+1.0V to AVDD)

* SPI™/QSPI™/MICROWIRE™-Compatible 10MHz Serial Interface

* 12-Bit, 50ksps ADC Measures

* Resistive Touch-Screen Position and Pressure

* Two Auxiliary Analog Inputs

* Two Battery Voltages (0.5V to 6V)

* On-Chip Temperature

* 8-Bit DAC for LCD Bias Control

* 4 x 4 Keypad Programmable Controller Offers Up to Eight GPIO Pins

* Automatic Detection of Screen Touch, Key Press, and End of Conversion

* Programmable 8-, 10-, 12-Bit Resolution

* Programmable Conversion Rates

* AutoShutdown™ Between Conversions

* Low Power

* 260µA at 50ksps

* 50µA at 10ksps

* 6µA at 1ksps

* 0.3µA Shutdown Current

* 28-Pin 5mm x 5mm QFN and TQFN Packages

Elecena nie prowadzi sprzedaży elementów elektronicznych, ani w niej nie pośredniczy.

Produkt pochodzi z oferty sklepu