400ksps, +5V, 8-/4-Channel, 12-Bit ADCs with +2.5V Reference and Parallel Interface
Analog Devices
RSS
Sample
- Darmowa próbka
- MPN:
- MAX1262
- Producent:
- ANALOG DEVICES
- Dodany do bazy:
- Ostatnio widziany:
- Zmiana ceny:
- -100% (21.01.2025)
- Poprzednia cena:
- 13.68
Sugerowane produkty dla max1263
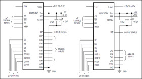
The MAX1262/MAX1264 low-power, 12-bit analog-to-digital converters (ADCs) feature a successive-approximation ADC, automatic power-down, fast wake-up (2µs), an on-chip clock, +2.5V internal reference, and a high-speed, byte-wide parallel interface. The devices operate with a single +5V analog supply and feature a VLOGIC pin that allows them to interface directly with a +2.7V to +5.5V digital supply.
Power consumption is only 10mW (VDD = VLOGIC) at a 400ksps max sampling rate. Two software-selectable power-down modes enable the MAX1262/MAX1264 to be shut down between conversions; accessing the parallel interface returns them to normal operation. Powering down between conversions can cut supply current to under 10µA at reduced sampling rates.
Both devices offer software-configurable analog inputs for unipolar/bipolar and single-ended/pseudo-differential operation. In single-ended mode, the MAX1262 has eight input channels and the MAX1264 has four input channels (four and two input channels, respectively, when in pseudo-differential mode).
Excellent dynamic performance and low power, combined with ease of use and small package size, make these converters ideal for battery-powered and data-acquisition applications or for other circuits with demanding power consumption and space requirements.
The MAX1262 is available in a 28-pin QSOP package, while the MAX1264 comes in a 24-pin QSOP. For pin-compatible +3V, 12-bit versions, refer to the MAX1261/MAX1263 data sheet.
Applications
* Data Acquisition Systems * Data Logging * Energy Management * Industrial Controls Systems * Patient Monitoring * Touch Screens
* 12-Bit Resolution, ±0.5 LSB Linearity
* +5V Single-Supply Operation
* User-Adjustable Logic Level (+2.7V to +5.5V)
* Internal +2.5V Reference
* Software-Configurable Analog Input Multiplexer
* 8-Channel Single Ended/4-Channel Pseudo-Differential (MAX1262)
* 4-Channel Single Ended/2-Channel Pseudo-Differential (MAX1264)
* Software-Configurable Unipolar/Bipolar Analog Inputs
* Low Current
* 2.5mA (400ksps)
* 1.0mA (100ksps)
* 400µA (10ksps)
* 2µA (Shutdown)
* Internal 6MHz Full-Power Bandwidth Track/Hold
* Byte-Wide Parallel (8 + 4) Interface
* Small Footprint
* 28-Pin QSOP (MAX1262)
* 24-Pin QSOP (MAX1264)
Elecena nie prowadzi sprzedaży elementów elektronicznych, ani w niej nie pośredniczy.
Produkt pochodzi z oferty sklepu Analog Devices