Dual, Unipolar/Bipolar, High-Voltage Digital Pulsers with Fault Condition Management
Analog Devices
RSS
Sample
- Darmowa próbka
- MPN:
- MAX14811
- Producent:
- ANALOG DEVICES
- Dodany do bazy:
- Ostatnio widziany:
Sugerowane produkty dla max14811
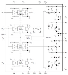
The MAX14811 integrated circuit generates high-voltage, high-frequency unipolar or bipolar pulses from low-voltage logic inputs. The dual pulser features independent logic inputs, independent high-voltage pulser outputs with active clamps, and independent high-voltage supply inputs.
The device features fault condition management to protect the outputs. The outputs enter three-state if both INP and INN are logic-high. The device has a 9Ω output impedance for the high-voltage outputs and a 27Ω impedance for the active clamp. The high-voltage outputs are guaranteed to provide 2.0A (typ) output current. All the pulser outputs and clamp outputs have overvoltage protection.
The device uses three logic inputs per channel to control the positive and negative pulses and active clamp. Also included are two independent enable inputs. Disabling EN ensures the output MOSFETs are not accidentally turned on during fast power-supply ramping. This allows for faster ramp times and shorter delays between pulsing modes. A low-power shutdown mode reduces power consumption to less than 1µA. All digital inputs are CMOS compatible.
The device is available in a 7mm x 7mm, 56-pin TQFN exposed-pad package and is specified over the 0°C to +70°C commercial temperature range.
Applications
* Cleaning Equipment * Industrial Imaging/Flaw Detection * Piezoelectric Drivers * Test Equipment * Ultrasound Medical Imaging
* Fault Condition Management
* Highly Integrated, High-Voltage, High-Frequency Unipolar/Bipolar Pulser
* 9Ω Output Impedance and 2.0A (typ) Output Current
* 27Ω Active Clamp
* Pulser and Clamp Overvoltage Protection
* 0 to +220V Unipolar or ±110V Bipolar Outputs
* Matched Rise/Fall Times and Matched Propagation Delays
* CMOS-Compatible Logic Inputs
* 7mm x 7mm, 56-Pin TQFN Package
Elecena nie prowadzi sprzedaży elementów elektronicznych, ani w niej nie pośredniczy.
Produkt pochodzi z oferty sklepu Analog Devices