elecena.pl

High-Voltage, Low-Power Linear Regulators for Notebook Computers

Analog Devices

High-Voltage, Low-Power Linear Regulators for Notebook Computers RSS Sample
  • Darmowa próbka
MPN:
MAX1615
Producent:
ANALOG DEVICES
Dodany do bazy:
Ostatnio widziany:

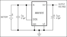
The MAX1615/MAX1616 are micropower, SOT23-5 linear regulators that supply always-on, keep-alive power to CMOS RAM and microcontrollers (µCs) in systems with high-voltage batteries. Key features include wide input voltage range, low dropout voltage, and low quiescent supply current.

Despite a miserly 8µA (max) no-load supply current, the MAX1615/MAX1616 have excellent line-transient response and AC power-supply rejection ratio. They provide a clean, fixed 5V or 3.3V output (MAX1615) or an adjustable 1.24V to 28V output (MAX1616), even when subjected to fast supply-voltage changes that occur during the switchover from battery to AC adapter input power. The space-saving SOT23-5 package has excellent thermal characteristics and tolerates up to 571mW of power dissipation. Fault protection is provided by internal foldback current limiting and thermal-shutdown circuitry. The MAX1615/MAX1616 are now available in lead-free packages.

Applications

* Battery-Powered Systems * CMOS/RTC Backup Power * Microcontroller Power * Notebook Computers * PDAs and Handy-Terminals * Smart Battery Packs/Chargers

* 4V to 28V Input Range

* 8µA (max) Quiescent Supply Current

* <1µA Shutdown Supply Current

* 3.3V or 5V, Pin-Selectable Output (MAX1615) Adjustable 1.24V to 28V Output (MAX1616)

* 30mA Output Current

* ±2% Initial Output Accuracy

* Thermal-Overload Protection

* 5-Pin SOT23 Package

* Low Cost

Elecena nie prowadzi sprzedaży elementów elektronicznych, ani w niej nie pośredniczy.

Produkt pochodzi z oferty sklepu