elecena.pl

Digitally Controlled Fuel-Gauge Interface

Analog Devices

Digitally Controlled Fuel-Gauge Interface RSS Sample
  • Darmowa próbka
MPN:
MAX1660
Producent:
ANALOG DEVICES
Dodany do bazy:
Ostatnio widziany:

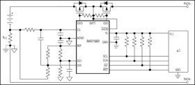
The MAX1660 digitally controlled fuel-gauge interface executes two essential functions for rechargeable battery-pack management: fuel gauging and pack overcurrent protection. It accurately monitors a battery pack's charge and discharge current flow, and records each using two independent, on-board Coulomb counters. Each counter's contents are externally accessible via a System Management Bus (SMBus™)-compatible 2-wire serial interface. An optional third wire interrupts the microcontroller (°C) when the charge or discharge counters reach a preset value, or when an overcurrent condition (charge or discharge) occurs. In the event of an overcurrent or short-circuit condition, the MAX1660 disconnects the load and alerts its host. The MAX1660's flexibility allows accurate fuel gauging for any battery chemistry, using any desired control algorithm.

The MAX1660 operates with battery voltages from +4V to +28V and provides two micropower shutdown modes, increasing battery lifetime. To minimize total parts count, the device integrates a precision 2.00V system-reference output, a 3.3V linear-regulator output that can supply up to 5mA to power external circuitry, and a power-on reset output for the system µC. The MAX1660 is available in a 16-pin QSOP package.

Applications

* A/D Converters * Battery-Pack Fuel Gauging * Battery-Pack Overcurrent Protection * Digital Current-Sense Instrumentation * Industrial-Control System Interfaces * Smart Battery Packs/Chargers

* 1% Accuracy over a 600µA to 4A Current Range (RSENSE = 30mΩ)

* 5µV Input Offset Voltage (28µV max)

* SMBus 2-Wire (plus optional interrupt) Serial Interface

* 2.00V Precision System Reference Output

* 3.3V Linear-Regulator Output Powers External Circuitry

* Two Micropower Shutdown Modes

* Independent 32-Bit Charge and Discharge Coulomb Counters

* Battery-Overcharge/Overdischarge Protection

* Battery Short-Circuit/Overcurrent Protection

* On-Board Power MOSFET Drivers

* 80µA Quiescent Current

* <1µA Shutdown Current

* Small 16-Pin QSOP Package (same board area as 8-pin SO)

Elecena nie prowadzi sprzedaży elementów elektronicznych, ani w niej nie pośredniczy.

Produkt pochodzi z oferty sklepu