elecena.pl

High-Voltage, High-Power LED Driver with Analog and PWM Dimming Control

Analog Devices

High-Voltage, High-Power LED Driver with Analog and PWM Dimming Control RSS Sample
  • Darmowa próbka
MPN:
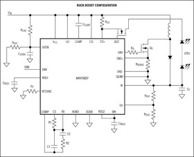
MAX16831
Producent:
ANALOG DEVICES
Dodany do bazy:
Ostatnio widziany:

The MAX16831 is a current-mode, high-brightness LED (HB LED) driver designed to control two external n-channel MOSFETs for the single-string LED current regulation. The MAX16831 integrates all the building blocks necessary to implement fixed-frequency HB LED drivers with wide-range dimming control. The MAX16831 is configurable to operate as a step-down (buck), step-up (boost), or step-up/-down (buck-boost) current regulator.

Current-mode control with leading-edge blanking simplifies control-loop design. Internal slope compensation stabilizes the current loop when operating at duty cycles above 50%. The MAX16831 operates over a wide input voltage range and is capable of withstanding automotive load-dump events. Multiple MAX16831s can be synchronized to each other or to an external clock. The MAX16831 includes a floating dimming driver for brightness control with an external n-channel MOSFET in series with the LED string.

HB LED drivers using the MAX16831 achieve efficiencies of over 90% in automotive applications. The MAX16831 also includes a 1.4A source and 2.5A sink gate driver for driving switching MOSFETs in high-power LED driver applications, such as front light assemblies. The dimming control allows for wide PWM dimming at frequencies up to 2kHz. Higher dimming ratios of up to 1000:1 are achievable at lower dimming frequencies.

The MAX16831 is available in a 32-pin thin QFN package with exposed pad and operates over the -40°C to +125°C automotive temperature range.

Applications

* Automotive Exterior Lighting: * Daytime Running Lights (DRL) * Fog Light and Adaptive Front Light Assemblies * High-Beam/Low-Beam/Signal Lights * Rear Combination Lights (RCL) * Emergency Lighting * Industrial and Architectural Lighting * Navigation and Marine Indicators * Projectors with RGB LED Light Sources

* Wide Input Range: 6V to 76V with Cold-Start Operation to 5.5V

* Integrated Differential LED Current-Sense Amplifier

* Floating Dimming Driver Capable of Driving an n-Channel MOSFET

* 5% LED Current Accuracy

* 200Hz On-Board Ramp Syncs to External PWM Dimming Signal

* Programmable Switching Frequency (125kHz to 600kHz) and Synchronization

* Output Overvoltage Load Dump, LED Short, Overtemperature Protection

* Low 107mV LED Current Sense for High Efficiency

* Enable/Shutdown Input with Shutdown Current Below 45µA

Elecena nie prowadzi sprzedaży elementów elektronicznych, ani w niej nie pośredniczy.

Produkt pochodzi z oferty sklepu