Dual and Combinable QPWM Graphics Core Controllers for Notebook Computers
Analog Devices
RSS
Sample
- Darmowa próbka
- MPN:
- MAX17007B
- Producent:
- ANALOG DEVICES
- Dodany do bazy:
- Ostatnio widziany:
Sugerowane produkty dla max17007a
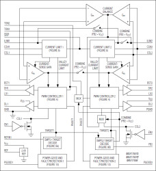
The MAX17007A/MAX17007B/MAX17008 are dual Quick-PWM™ step-down controllers intended for general power generation in battery-powered systems. The two switched-mode power supplies (SMPSs) can also be combined to operate in a two-phase single-output mode. Constant on-time Quick-PWM operation provides fast response to load transients and handles wide input/output (I/O) voltage ratios with ease, while maintaining a relatively constant switching frequency. The switching frequency can be individually adjusted between 200kHz and 600kHz with external resistors. Differential output current sensing allows output sense-resistor sensing for an accurate current limit, or lossless inductor direct-current resistance (DCR) current sensing for lower power dissipation while maintaining 0.7% output accuracy. Overvoltage (MAX17007A/MAX17007B only), undervoltage protection, and accurate user-selectable current limits (15mV, 30mV, 45mV, and 60mV) ensure robust operations.
The SMPS outputs can operate in skip mode or in ultrasonic mode for improved light-load efficiency. The ultrasonic mode eliminates audible noises by maintaining a minimum switching frequency of 25kHz in pulse-skipping mode.
The output voltage of SMPS1 can be dynamically adjusted by changing the voltage at the REFIN1 pin. The device includes a 0.5% accurate reference output that can be used to set the REFIN1 voltage. An external 5V bias supply is required to power the internal circuitry and its gate drivers.
Independent on/off controls with well-defined logic thresholds and independent open-drain power-good outputs provide flexible system configurations. To prevent current surges at startup, the internal voltage target is slowly ramped up from zero to the final target with a slew rate of 1.3mV/µs for SMPS1 at CSL1 and 0.65mV/µs for SMPS2 at FB2. To prevent the output from ringing off below ground in shutdown, the internal voltage target is ramped down from its previous value to zero with the same respective slew rates. Integrated bootstrap switches eliminate the need for external bootstrap diodes.
The MAX17007A/MAX17007B/MAX17008 are available in a space-saving, 28-pin, 4mm x 4mm, TQFN package with an exposed backside pad. The MAX17007B improves crosstalk performance over the MAX17007A.
Applications
* 2 to 4 Li+ Cells Battery-Powered Devices * GPU Core Supplies * Low-Power I/O Supplies * Notebook Computers
* Dual Quick-PWM with Fast Transient Response
* Automatic Dynamic REFIN1 Detection and PGOOD1/Fault Blanking
* Fixed and Adjustable Output Voltages
* ±0.7% Output Accuracy Over Line and Load
* OUT1: 0 to 2V Dynamic Output or Preset 1.05V
* OUT2: 0.7V to 2V Range or Preset 1.5V
* Resistor-Programmable Switching Frequency
* Integrated BST Switches
* Differential Current-Sense Inputs
* Low-Cost DCR Sensing or Accurate Current-Sense Resistors
* Internally Coupled Current-Sense Compensation
* Combinable Mode Supports High-Current Dynamic Output Voltages
* Selectable Forced-PWM, Pulse Skip, or Ultrasonic Mode Operation
* 26V Maximum Input Voltage Rating
* Independent Enable Inputs
* Independent Power-Good Outputs
* Overvoltage Protection (MAX17007A/MAX17007B Only)
* Undervoltage/Thermal Protection
* Voltage Soft-Start and Soft-Shutdown
Elecena nie prowadzi sprzedaży elementów elektronicznych, ani w niej nie pośredniczy.
Produkt pochodzi z oferty sklepu Analog Devices