High-Input-Voltage Quad-Output Controller
Analog Devices
RSS
Sample
- Darmowa próbka
- MPN:
- MAX17019
- Producent:
- ANALOG DEVICES
- Dodany do bazy:
- Ostatnio widziany:
Sugerowane produkty dla max17019
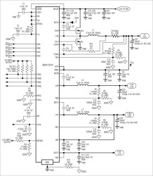
The MAX17019 is a high-input-voltage quad-output controller (up to 38V). The MAX17019 provides a compact, low-cost controller capable of providing four independent regulators—a main stage, a 3AP-P internal step-down, a 5AP-P internal step-down, and a 2A source/sink linear regulator. The input voltage is up to 38V.
The internal switching regulators include 5V synchronous MOSFETs that can be powered directly from a single Li+ cell or from the main 3.3V/5V power stages. Finally, the linear regulator is capable of sourcing and sinking 2A to support DDR termination requirements or to generate a fixed output voltage.
The step-down converters use a peak current-mode, fixed-frequency control scheme—an easy to implement architecture that does not sacrifice fast-transient response. This architecture also supports peak current-limit protection and pulse-skipping operation to maintain high efficiency under light-load conditions.
Separate enable inputs and independent open-drain power-good outputs allow flexible power sequencing. A soft-start function gradually ramps up the output voltage to reduce the inrush current. Disabled regulators enter high-impedance states to avoid negative output voltage created by rapidly discharging the output through the low-side MOSFET. The MAX17019 also includes output undervoltage, output overvoltage, and thermal-fault protection.
The MAX17019 is available in a 48-pin, 6mm x 6mm thin QFN package.
Applications
* Embedded Control Systems * Set-Top Box
* Fixed-Frequency, Current-Mode Controllers
* 5.5V to 38V Input Range (Step-Down)
* 1x Step-Down Controller
* 1x Internal 5AP-P Step-Down Regulator
* 1x Internal 3AP-P Step-Down Regulator
* 1x 2A Source/Sink Linear Regulator with Dynamic REFIN
* Internal BST Diodes
* Internal 5V 50mA Linear Regulator
* Fault Protection—Undervoltage, Overvoltage, Thermal, Peak Current Limit
* Independent Enable Inputs and Power-Good Outputs
* Voltage-Controlled Soft-Start
* High-Impedance Shutdown
* 10µA (typ) Shutdown Current
Elecena nie prowadzi sprzedaży elementów elektronicznych, ani w niej nie pośredniczy.
Produkt pochodzi z oferty sklepu Analog Devices