elecena.pl

Dual Quick-PWM, Step-Down Controller with Low-Power LDO, RTC Regulator

Analog Devices

Dual Quick-PWM, Step-Down Controller with Low-Power LDO, RTC Regulator RSS Sample
  • Darmowa próbka
MPN:
MAX17101
Producent:
ANALOG DEVICES
Dodany do bazy:
Ostatnio widziany:

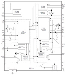
The MAX17101 is a dual Quick-PWM™ step-down power-supply (SMPS) controller with synchronous rectification, intended for main 5V/3.3V power generation in battery-powered systems. Low-side MOSFET sensing provides a simple low-cost, highly efficient current sense for providing valley current-limit protection. Combined with the output overvoltage and undervoltage protection features, this current limit ensures robust output supplies.

The 5V/3.3V SMPS outputs can save power by operating in pulse-skipping mode or in ultrasonic mode to avoid audible noise. Ultrasonic mode forces the controller to maintain switching frequencies greater than 20kHz at light loads.

An internal 100mA linear regulator can be used to either generate the 5V bias needed for power-up or other lower power "always-on" suspend supplies. An independent bypass input allows automatic bypassing of the linear regulator when the SMPS is active.

This main controller also includes a secondary feedback input that triggers an ultrasonic pulse (DL1 turned on) if the SECFB voltage drops below its threshold voltage. This refreshes an external charge pump driven by DL1 without overcharging the output voltage.

The device includes independent shutdown controls to simplify power-up and power-down sequencing. To prevent current surges at startup, the internal voltage target is slowly ramped up from zero to the final target over a 1ms period. To prevent the output from ringing below ground in shutdown, the internal voltage target is ramped down from its previous value to zero over a 1ms period. Two independent power-good outputs simplify the interface with external controllers.

The MAX17101 comes in a lead-free 32-pin TQFN (5mm x 5mm) package and operates in the -40°C to +85°C temperature range.

Applications

* DDR1, DDR2, DDR3 Power Supplies * Game Consoles * Graphic Cards * Low-Power I/O and Chipset Supplies * Main System Supply (5V and 3.3V Supplies) * Notebook Computers * PDAs and Mobile Communicators * Telecommunication * Two to Four Li+ Cells Battery-Powered Devices

* Dual Quick-PWM

* Internal 100mA 5V or Adjustable Linear Regulator

* Independent LDO Bypass Input

* Internal Boost Diodes

* Secondary Feedback Input Maintains Charge Pump

* 3.3V 5mA RTC Power (Always On)

* OUT1: 5V or 1.5V Fixed or 0.7V Adjustable Feedback

* OUT2: 3.3V or 1.05V Fixed or Dynamic Adjustable

* Dynamic 0 to 2V REFIN2 Input on Second Output

* 2V ±1% 50µA Reference

* 6V to 24V Input Range (28V max)

* Ultrasonic Mode

* Independent SMPS and LDO Enable Controls

* Independent SMPS Power-Good Outputs

* Minimal Component Count

Elecena nie prowadzi sprzedaży elementów elektronicznych, ani w niej nie pośredniczy.

Produkt pochodzi z oferty sklepu