elecena.pl

Step-Up, Step-Down Regulator, Gate-On Charge Pump, and Boost-Buck Regulator for TV TFT LCD Display

Analog Devices

Step-Up, Step-Down Regulator, Gate-On Charge Pump, and Boost-Buck Regulator for TV TFT LCD Display RSS Sample
  • Darmowa próbka
MPN:
MAX17122
Producent:
ANALOG DEVICES
Dodany do bazy:
Ostatnio widziany:

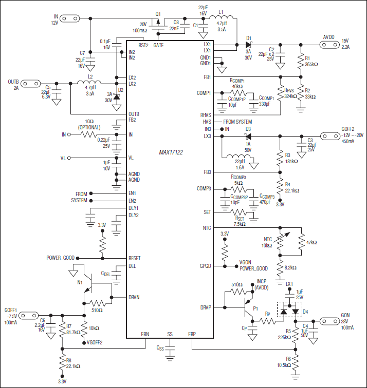
The MAX17122 multiple-output power-supply IC generates all the supply rails for thin-film transistor (TFT) liquid-crystal display (LCD) TV panels. It can operate from 8V to 16.5V input voltages and is optimized for LCD TV panel applications running directly from 12V regulated supplies. It includes a 22V internal-switch step-down regulator for digital logic, a 22V internal switch step-up regulator to power the TFT source drivers, and a temperature-compensated 36V internal-switch boost-buck regulator that produces a negative output that can vary according to the temperature sensed by an external NTC thermistor. All three of these regulators feature high-efficiency and fixed-frequency operation. High-frequency operation allows the use of small inductors and capacitors, resulting in a compact solution.

The MAX17122 includes a positive charge-pump linear regulator controller that uses an external pnp bipolar junction transistor (BJT) to typically form a regulated charge-pump doubler to supply the LCD positive gate-driver supply voltage. A negative gate-driver supply is derived linearly between the boost-buck regulator's output and ground, using an external npn BJT connected to ground and a small bypass capacitor.

Other features include an external-capacitor-timed, open-drain, power-good output that monitors the step-down regulator's feedback and a simple untimed output that monitors the positive charge-pump linear regulator's feedback. A high-voltage stress function is available for the step-up regulator output. The GATE output directly drives an external p-channel MOSFET to provide True Shutdown™ of the step-up output.

The MAX17122 is available in a 6mm x 6mm, 40-pin thin QFN lead-free package and operates over the -40°C to +85°C temperature range.

Applications

* LCD TV Panels

* 8V to 16.5V Operating Range

* 750kHz Switching Frequency

* 22V Internal-Switch High-Performance Step-Up Regulator

* Fast Load-Transient Response

* Current-Mode PWM Operation

* 100mΩ, 3.9A nMOS Switch

* Capacitor-Adjustable Soft-Start

* High-Voltage Stress Function

* Drives External pMOS Shutdown Switch

* 22V Internal-Switch Step-Down Regulator

* Preset 1% Accurate 3.3V Output Voltage or Adjustable Output (Dual Mode™)

* Current-Mode PWM Operation

* 200mΩ, 2.5A nMOS Switch

* Capacitor-Adjustable Power-Good Output

* 36V Internal-Switch Boost-Buck Regulator

* Temperature-Compensated Output

* Programmable Fixed Levels with Temperature-Controlled Transition

* Current-Mode PWM Operation

* 200mΩ, 1.8A pMOS Switch

* Positive Charge-Pump Linear Regulator Controller

* Adjustable 1% Accurate Output Voltage

* Uses External pnp Transistor

* Regulates Switching-Node-Driven Charge-Pump Doubler

* Power-Good Output

* Negative Linear Regulator Controller

* Adjustable 1.5% Accurate Output Voltage

* Uses External npn Transistor

* Soft-Start for All Outputs

* Adjustable Power-Up Sequence

* Timed-Output Fault Protection with Restart for All Outputs

* Latched Thermal-Shutdown Protection

* 40-Pin, 6mm x 6mm Thin QFN Package

Elecena nie prowadzi sprzedaży elementów elektronicznych, ani w niej nie pośredniczy.

Produkt pochodzi z oferty sklepu