elecena.pl

Six-String WLED Driver with Integrated Step-Up Converter

Analog Devices

Six-String WLED Driver with Integrated Step-Up Converter RSS Sample
  • Darmowa próbka
MPN:
MAX17127
Producent:
ANALOG DEVICES
Dodany do bazy:
Ostatnio widziany:

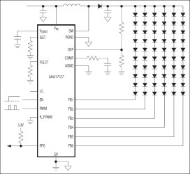
The MAX17127 is a high-efficiency driver for white light-emitting diodes (LEDs). It is designed for large liquid-crystal displays (LCDs) that employ an array of LEDs as the light source. An internal switch current-mode step-up converter drives the LED array, which can be configured for up to six strings in parallel and 13 LEDs per string. Each string is terminated with ballast that achieves ±2% current-regulation accuracy, ensuring even LED brightness. The MAX17127 has a wide input-voltage range from 5V to 26V, and provides an adjustable 10mA to 30mA full-scale LED current.

The MAX17127 can implement brightness control through the PWM signal input, and LED current is directly controlled by the external dimming signal's frequency and duty cycle.

The MAX17127 has multiple features to protect the controller from fault conditions. Once an open/short string is detected, the fault string is disabled while other strings can still operate normally. The controller features cycle-by-cycle current limit to provide constant operation and soft-start capability. If the MAX17127 is in current-limit condition, the step-up converter is latched off after an internal timer expires. A thermal-shutdown circuit provides another level of protection. When thermal shutdown happens, the MAX17127 is latched off.

The MAX17127's step-up controller features an internal 0.12Ω (typ), 48V (max) power MOSFET with local current-sense amplifier for accurate cycle-by-cycle current limit. This architecture greatly simplifies the external circuitry and saves PCB space. Low-feedback voltage at each LED string helps reduce power loss and improve efficiency. The MAX17127 features resistor-adjustable switching frequency from 250kHz to 1MHz, which enables a wide variety of applications that can trade off component size for operating frequency.

The MAX17127 is available in a thermally enhanced, lead-free, 20-pin, 4mm x 4mm thin QFN package.

Applications

* Handy Terminals * Notebook, Subnotebook, and Tablet Computer Displays

* 5V to 26V Input Supply Voltage

* Up to Six Parallel Strings Multiple Series-Connected LEDs

* 250kHz to 1MHz Adjustable Switching Frequency

* 0.12Ω Internal HV Power MOSFET (48V max)

* Low String Feedback Voltage: 480mV at 20mA LED Current

* Full-Scale LED Current Adjustable from 10mA to 30mA

* ±2% Current-Regulation Accuracy Between Strings

* 400ns Minimum String On-Time

* 100Hz to 25kHz PWM Input Range

* Open and Short LED Protection

* Output Overvoltage Protection

* Thermal Shutdown

* Small 20-Pin, 4mm x 4mm Thin QFN Package

Elecena nie prowadzi sprzedaży elementów elektronicznych, ani w niej nie pośredniczy.

Produkt pochodzi z oferty sklepu