elecena.pl

Wide-Brightness-Range CCFL Backlight Controllers

Analog Devices

Wide-Brightness-Range CCFL Backlight Controllers RSS Sample
  • Darmowa próbka
MPN:
MAX1739
Producent:
ANALOG DEVICES
Dodany do bazy:
Ostatnio widziany:

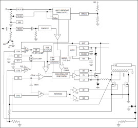
The MAX1739/MAX1839 fully integrated controllers are optimized to drive cold-cathode fluorescent lamps (CCFLs) using the industry-proven Royer oscillator inverter architecture. The Royer architecture provides near sinusoidal drive waveforms over the entire input range to maximize the life of CCFLs. The MAX1739/MAX1839 optimize this architecture to work over a wide input voltage range, achieve high efficiency, and maximize the dimming range.

The MAX1739/MAX1839 monitor and limit the transformer center-tap voltage when required. This ensures minimal voltage stress on the transformer, which increases the operating life of the transformer and eases its design requirements. These controllers also provide protection against many other fault conditions, including lamp-out and buck short faults.

These controllers achieve 50:1 dimming range by simultaneously adjusting lamp current and "chopping" the CCFL on and off using a digitally adjusted pulse-width modulated (DPWM) method. CCFL brightness is controlled by an analog voltage or is set with an SMBus™-compatible two-wire interface (MAX1739).

The MAX1739/MAX1839 drive an external high-side N-channel power MOSFET and two low-side N-channel power MOSFETs, all synchronized to the Royer oscillator. An internal 5.3V linear regulator powers the MOSFET drivers and most of the internal circuitry. The MAX1739/MAX1839 are available in space-saving 20-pin QSOP packages and operate over the -40°C to +85°C temperature range.

Applications

* LCD Displays * Palmtop Computers

* Fast Response to Input Change

* Wide Input Voltage Range (4.6V to 28V)

* High Power-to-Light Efficiency

* Minimizes Transformer Voltage Stress

* Lamp-Out Protection with 2s Timeout

* Buck Switch Short and Other Single-Point Fault Protection

* Integrated Royer MOSFET Drivers Reduce Transformer Pin Count

* Buck Operation Synchronized to Royer Oscillator

* Synchronizable DPWM Frequency

* Pin-Selectable Brightness Control Interface

* SMBus Serial Interface (MAX1739)

* Analog Interface (MAX1739/MAX1839)

Elecena nie prowadzi sprzedaży elementów elektronicznych, ani w niej nie pośredniczy.

Produkt pochodzi z oferty sklepu