1-Phase, Quick-PWM Intel IMVP-6.5/GMCH Controllers
Analog Devices
RSS
Sample
- Darmowa próbka
- MPN:
- MAX17528
- Producent:
- ANALOG DEVICES
- Dodany do bazy:
- Ostatnio widziany:
Sugerowane produkty dla gmch
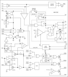
The MAX17528 comprises 1-phase Quick-PWM™ step-down VID power-supply controllers for Intel® notebook CPUs. The Quick-PWM control provides instantaneous response to fast-load current steps. Active voltage positioning reduces power dissipation and bulk output capacitance requirements and allows ideal positioning compensation for tantalum, polymer, or ceramic bulk output capacitors.
The MAX17528 is intended for two different notebook CPU/GPU core applications: either bucking down the battery directly to create the core voltage, or bucking down the +5V system supply. The single-stage conversion method allows this device to directly step down high-voltage batteries for the highest possible efficiency. Alternatively, 2-stage conversion (stepping down the +5V system supply instead of the battery) at higher switching frequency provides the minimum possible physical size.
A slew-rate controller allows controlled transitions between VID codes. A thermistor-based temperature sensor provides programmable thermal protection. A current monitor provides an analog output current proportional to the processor load current.
The MAX17528 implements both the Intel IMVP-6.5 CPU core specifications (active-low CLKEN pullup to 3.3V), as well as the Intel GMCH graphics core specifications (active-low CLKEN = GND). The MAX17528 is available in a 32-pin, 5mm x 5mm TQFN package.
Applications
* 1-to-4 Lithium-Ion (Li+) Cell Battery-to-CPU Core * Graphics Core Power Supply * IMVP-6.5 Core Power Supply * Intel Calpella Platforms * Intel GMCH 2009 * Notebooks/Desktops/Servers * Supply Converters * Voltage-Positioned Step-Down Converters
* 1-Phase Quick-PWM Controller
* ±0.5% VOUT Accuracy Over Line, Load, and Temperature
* 7-Bit IMVP-6.5 DAC
* IMVP-6.5 and GMCH Compliant
* Active Voltage Positioning with Adjustable Gain
* Accurate Droop and Current Limit
* Remote Output and Ground Sense
* Adjustable Output-Voltage Slew Rate
* Power-Good Window Comparator
* Current Monitor
* Temperature Comparator
* Drives Large Synchronous Rectifier FETs
* 2V to 26V Battery Input Range
* Adjustable Switching Frequency (600kHz max)
* Undervoltage and Thermal-Fault Protection
* Soft-Startup and Soft-Shutdown
* Internal Boost Diode
Elecena nie prowadzi sprzedaży elementów elektronicznych, ani w niej nie pośredniczy.
Produkt pochodzi z oferty sklepu Analog Devices