elecena.pl

Micropower Adjustable Overvoltage Protection Controllers

Analog Devices

Micropower Adjustable Overvoltage Protection Controllers RSS Sample
  • Darmowa próbka
MPN:
MAX1807
Producent:
ANALOG DEVICES
Dodany do bazy:
Ostatnio widziany:

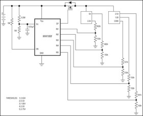
The MAX1807/MAX1808 monitor up to five supply rails for an overvoltage condition and provide a latched output when any one of the five supplies exceeds the trip thresholds. The latched output drives an external P-channel load switch to remove power when an over-voltage condition is detected. The latch is reset when a logic low is input to ON or the power supply is cycled.

The MAX1807 provides a 28V open-drain fault output that can be used to trigger an alert, trip a resetable fuse, or for other purposes. The MAX1808 includes a low-battery comparator with hysteresis to drive the DP output high, turning off the external P-channel switch when the input voltage is too low.

The MAX1807/MAX1808 are available in a miniature 10-pin µMAX® package.

Applications

* Multi-Output Power Supplies * Notebook Computers * Power-Supply Modules

* Five 3% Accurate Overvoltage Comparators

* Series PFET Gate Driver with VGS Limiter

* 21µA Quiescent Supply Current

* 4µA Shutdown Current

* 4.4V to 28V Operating Voltage Range

* 3% Accurate Comparator with 10% Hysteresis for Low-Battery Detection (MAX1808)

* 28V Open-Drain N-Channel Output (MAX1807)

* Small 10-Pin µMAX Package

Elecena nie prowadzi sprzedaży elementów elektronicznych, ani w niej nie pośredniczy.

Produkt pochodzi z oferty sklepu