elecena.pl

10-Bit, 7.5Msps, Full-Duplex, Analog Front-End

Analog Devices

10-Bit, 7.5Msps, Full-Duplex, Analog Front-End RSS Sample
  • Darmowa próbka
MPN:
MAX19710
Producent:
ANALOG DEVICES
Dodany do bazy:
Ostatnio widziany:

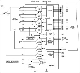
The MAX19710 is an ultra-low-power, highly integrated mixed-signal analog front-end (AFE) ideal for wideband communication applications operating in full-duplex (FD) mode. Optimized for high dynamic performance and ultra-low power, the device integrates a dual 10-bit, 7.5Msps receive (Rx) ADC; dual 10-bit, 7.5Msps transmit (Tx) DAC; three fast-settling 12-bit aux-DAC channels for ancillary RF front-end control; and a 10-bit, 333ksps housekeeping aux-ADC. The typical operating power in FD mode is 30mW at a 7.5MHz clock frequency.

The Rx ADCs feature 54.8dB SINAD and 79.8dBc SFDR at 3.3MHz input frequency with a 7.5MHz clock frequency. The analog I/Q input amplifiers are fully differential and accept 1.024VP-P full-scale signals. Typical I/Q channel matching is ±0.01° phase and ±0.01dB gain.

The Tx DACs feature 73.8dBc SFDR at fOUT = 620kHz and fCLK = 7.5MHz. The analog I-Q full-scale output voltage range is ±400mV differential. The output DC common- mode voltage is from 0.89V to 1.36V. The I/Q channel offset is adjustable to optimize radio lineup sideband/ carrier suppression. Typical I-Q channel matching is ±0.01dB gain and ±0.15° phase.

Two independent 10-bit parallel, high-speed digital buses used by the Rx ADC and Tx DAC allow full-duplex operation for frequency-division duplex applications. The Rx ADC and Tx DAC can be disabled independently to optimize power management. A 3-wire serial interface controls power-management modes, the aux-DAC channels, and the aux-ADC channels.

The MAX19710 operates on a single 2.7V to 3.3V analog supply and 1.8V to 3.3V digital I/O supply. The MAX19710 is specified for the extended (-40°C to +85°C) temperature range and is available in a 56-pin, thin QFN package. The Selector Guide at the end of the data sheet lists other pin-compatible versions in this AFE family. For time-division duplex (TDD) applications, refer to the MAX19705–MAX19708 AFE family of products.

Applications

* Broadband Access Radio * Portable Communication Equipment * Private Mobile Radio

Elecena nie prowadzi sprzedaży elementów elektronicznych, ani w niej nie pośredniczy.

Produkt pochodzi z oferty sklepu