Quick-PWM Slave Controller with Driver Disable for Multiphase, DC-DC Converter
Analog Devices
RSS
Sample
- Darmowa próbka
- MPN:
- MAX1980
- Producent:
- ANALOG DEVICES
- Dodany do bazy:
- Ostatnio widziany:
Sugerowane produkty dla max1980
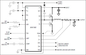
The MAX1980 step-down slave controller is intended for low-voltage, high-current, multiphase DC-DC applications. The MAX1980 slave controller can be combined with any of Maxim's Quick-PWM™ step-down controllers to form a multiphase DC-DC converter. Existing Quick-PWM controllers, such as the MAX1718, function as the master controller, providing accurate output-voltage regulation, fast transient response, and fault protection features. Synchronized to the master's low-side gate driver, the MAX1980 includes the Quick-PWM constant on-time controller, gate drivers for a synchronous rectifier, active current balancing, and precision current-limit circuitry.
The MAX1980 provides the same high-efficiency, ultra-low duty factor capability, and excellent transient response as other Quick-PWM controllers. The MAX1980 differentially senses the inductor currents of both the master and the slave across current-sense resistors. These differential inputs and the adjustable current-limit threshold derived from an external reference allow the slave controller to accurately balance the inductor currents and provide precise current-limit protection. The MAX1980's dual-purpose current-limit input also allows the slave controller to automatically enter a low-power standby mode when the master controller shuts down.
The MAX1980 features a driver-disable mode that forces both gate drivers (DL and DH) low. While the MAX1980's drivers are disabled, the master controller can operate in low-power skip mode, improving light-load efficiency. Additionally, the MAX1980 includes selectable trigger polarity, allowing the slave controller to trigger on the rising (out-of-phase) or falling (in-phase) edge of the master's low-side gate driver. Out-of-phase operation staggers the master and slave's on-times, reducing the input ripple current and consequently the number of input capacitors. The MAX1980 also features a selectable 200kHz/300kHz/550kHz switching frequency. The MAX1980 is available in compact 20-pin 5mm x 5mm QFN and thin QFN packages.
Applications
* CPU Core Supplies * Notebook Computers * Servers/Desktop Computers * Single-Stage (BATT to VCORE) Converters * Two-Stage (+5V to VCORE) Converters
* Quick-PWM Slave Controller
* Precise, Active Current Balance (±1.25mV )
* Driver Disable Improves Light Load Efficiency
* Accurate, Adjustable Current-Limit Threshold
* Optimized for Low-Output Voltages (≤ 2V)
* 4V to 28V Battery Input Range
* Selectable 200kHz/300kHz/550kHz Switching Frequency
* Drive Large Synchronous-Rectifier MOSFETs
* 525µA (typ) ICC Supply Current
* 20µA Standby Supply Current
* Compact 20-Pin 5mm x 5mm QFN and Thin QFN Packages
Elecena nie prowadzi sprzedaży elementów elektronicznych, ani w niej nie pośredniczy.
Produkt pochodzi z oferty sklepu Analog Devices