elecena.pl

High-Efficiency, Wide Brightness Range, CCFL Backlight Controllers

Analog Devices

High-Efficiency, Wide Brightness Range, CCFL Backlight Controllers RSS Sample
  • Darmowa próbka
MPN:
MAX1995
Producent:
ANALOG DEVICES
Dodany do bazy:
Ostatnio widziany:

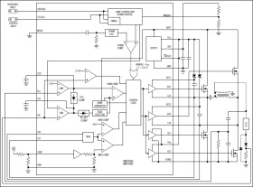
The MAX1895/MAX1995 integrated controllers are optimized to drive cold-cathode fluorescent lamps (CCFL) using a synchronized full-bridge inverter architecture. Synchronized drive provides near sinusoidal waveforms over the entire input range to maximize the life of CCFLs. The controllers also operate over a wide input voltage range with high efficiency and broad dimming range.

The MAX1895/MAX1995 include safety features that limit the transformer secondary voltage and protect against single-point fault conditions including lamp-out and short-circuit faults.

The MAX1895/MAX1995 regulate the CCFL brightness in three ways: linearly controlling the lamp current, digital pulse-width modulating (DPWM) the lamp current, or using both methods simultaneously to achieve the widest dimming range (>30:1). CCFL brightness can be controlled with either an analog voltage (both MAX1895 and MAX1995) or a two-wire SMBus™ compatible interface (MAX1895 only).

The MAX1895/MAX1995 directly drive the four external N-channel power MOSFETs of the full-bridge inverter. An internal 5.3V linear regulator powers the MOSFET drivers, the synchronizable DPWM oscillator, and most of the internal circuitry. The MAX1895/MAX1995 are available in the space-saving 28-pin thin QFN package and operate over the -40°C to +85°C temperature range.

Applications

* Car-Navigation Displays * LCD Monitors * Notebook Computers * Point-of-Sale Terminals * Portable Display Electronics

* Synchronized-to-Resonant Frequency

* Good Crest Factor for Longer Lamp Life

* Ensures Maximum Strike Capability

* High Power to Light Efficiency

* Wide Dimming Range (3 Methods)

* Lamp Current Adjust: >3 to 1

* Digital PWM (DPWM): >10 to 1

* Combined: >30 to 1

* Feed-Forward for Fast Response to Step Change of Input Voltage

* Wide Input Voltage Range (4.6V to 28V)

* Transformer Secondary Voltage Limiting to Reduce Transformer Stress

* Lamp-Out Protection with 2s Timeout

* Short-Circuit and Other Single-Point Fault Protections

* Synchronizable DPWM Frequency

* Dual-Mode Brightness Control Interface

* SMBus Serial Interface (MAX1895 Only)

* Analog Interface (Both Devices)

* High-Accuracy Analog Interface

* Separate 100% Brightness Voltage Reference Pin (CRFSDA)

* Separate Minimum Lamp-Current Set-Point Pin (MINDAC)

* Small Footprint 28-Pin Thin QFN (5mm x 5mm) Package

Elecena nie prowadzi sprzedaży elementów elektronicznych, ani w niej nie pośredniczy.

Produkt pochodzi z oferty sklepu