elecena.pl

High-Efficiency, Wide Brightness Range, CCFL Backlight Controller

Analog Devices

High-Efficiency, Wide Brightness Range, CCFL Backlight Controller RSS Sample
  • Darmowa próbka
MPN:
MAX1996A
Producent:
ANALOG DEVICES
Dodany do bazy:
Ostatnio widziany:

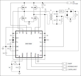
The MAX1996A integrated controller is optimized to drive cold-cathode fluorescent lamps (CCFLs) using synchronized full-bridge inverter architecture. Synchronized drive provides near sinusoidal waveforms over the entire input range to maximize the life of CCFLs. The controller also operates over a wide input-voltage range with high efficiency and broad dimming range.

The MAX1996A includes safety features that limit the transformer secondary voltage and protect against single-point fault conditions including lamp-out and short-circuit faults.

The MAX1996A regulates the CCFL brightness in three ways: linearly controlling the lamp current, digital pulse-width modulating (DPWM) the lamp current, or using both methods simultaneously to achieve the widest dimming range (>30:1). CCFL brightness can be controlled with either an analog voltage or a 2-wire SMBus™-compatible interface. The MAX1996A directly drives the four external N-channel power MOSFETs of the full bridge inverter. An internal 5.3V linear regulator powers the MOSFET drivers, the synchronizable DPWM oscillator, and most of the internal circuitry.

The MAX1996A has the same pin configuration as the MAX1895, but with modified SMBus slave address (0x58) and command bytes. In addition, the lamp-out protection timer has been reduced to approximately 1s and the DPWM frequency is guaranteed from 200Hz to 220Hz over the operating temperature range without external components or trimming. The MAX1996A is available in the space-saving 28-pin thin QFN package and operates over a -40°C to +85°C temperature range.

Applications

* Multibulb LCD Monitors * Notebook Computers * Portable Display Electronics

* SMBus Slave Address (0x58) for Wide Dimming Range Inverters

* Guaranteed 200Hz to 220Hz DPWM Frequency

* Externally Synchronizable DPWM Frequency

* Lamp-Out Protection with 1s Timeout

* Synchronized to Resonant Frequency

* Good Crest Factor for Longer Lamp Life

* Ensures Maximum Strike Capability

* High Power-to-Light Efficiency

* Wide Dimming Range (3 Methods)

* Lamp Current Adjust: >3 to 1

* DPWM: >10 to 1

* Combined: >30 to 1

* Feed-Forward for Fast Response to Step Change of Input Voltage

* Wide Input-Voltage Range (4.6V to 28V)

* Transformer Secondary Voltage Limiting to Reduce Transformer Stress

* Protected Against Short-Circuit and Other Single-Point Faults

* Dual-Mode Brightness Control Interface

* Small Footprint 28-Pin Thin QFN (5mm x 5mm) Package

Elecena nie prowadzi sprzedaży elementów elektronicznych, ani w niej nie pośredniczy.

Produkt pochodzi z oferty sklepu