SiGe, High-Linearity, 2000MHz to 3900MHz Downconversion Mixer with LO Buffer
Analog Devices
RSS
Sample
- Darmowa próbka
- MPN:
- MAX19996A
- Producent:
- ANALOG DEVICES
- Dodany do bazy:
- Ostatnio widziany:
Sugerowane produkty dla max19996a
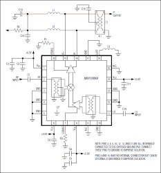
The MAX19996A single, high-linearity downconversion mixer provides 8.7dB conversion gain, +24.5dBm IIP3, and 9.8dB noise figure for 2000MHz to 3900MHz WCS, LTE, WiMAX™, and MMDS wireless infrastructure applications. With an ultra-wide LO frequency range of 2100MHz to 4000MHz, the MAX19996A can be used in either low-side or high-side LO injection architectures for virtually all 2.5GHz and 3.5GHz applications. For a 2.5GHz variant tuned specifically for low-side injection, refer to the MAX19996 data sheet.
In addition to offering excellent linearity and noise performance, the MAX19996A also yields a high level of component integration. This device includes a double-balanced passive mixer core, an IF amplifier, and an LO buffer. On-chip baluns are also integrated to allow for single-ended RF and LO inputs. The MAX19996A requires a nominal LO drive of 0dBm, and supply current is typically 230mA at VCC = 5.0V, or 150mA at VCC = 3.3V.
The MAX19996A is pin compatible with the MAX19996 2000MHz to 3000MHz mixer. The device is also pin similar with the MAX9984/MAX9986/MAX9986A 400MHz to 1000MHz mixers and the MAX9993/MAX9994/MAX9996 1700MHz to 2200MHz mixers, making this entire family of downconverters ideal for applications where a common PCB layout is used for multiple frequency bands.
The MAX19996A is available in a compact 5mm x 5mm, 20-pin thin QFN with an exposed pad. Electrical performance is guaranteed over the extended -40°C to +85°C temperature range.
Applications
* 2.3GHz WCS Base Stations * 2.5GHz WiMAX and LTE Base Stations * 2.7GHz MMDS Base Stations * 3.5GHz WiMAX and LTE Base Stations * Fixed Broadband Wireless Access * Military Systems * Private Mobile Radios * Wireless Local Loop
* 2000MHz to 3900MHz RF Frequency Range
* 2100MHz to 4000MHz LO Frequency Range
* 50MHz to 500MHz IF Frequency Range
* 8.7dB Conversion Gain
* 9.8dB Noise Figure
* +24.5dBm Typical Input IP3
* 11dBm Typical Input 1dB Compression Point
* 67dBc Typical 2LO-2RF Spurious Rejection at PRF = -10dBm
* Integrated LO Buffer
* Integrated RF and LO Baluns for Single-Ended Inputs
* Low -3dBm to +3dBm LO Drive
* Pin Compatible with the MAX19996 2000MHz to 3000MHz Mixer
* Pin Similar with the MAX9993/MAX9994/MAX9996 Series of 1700MHz to 2200MHz Mixers and the MAX9984/MAX9986/MAX9986A Series of 400MHz to 1000MHz Mixers
* Single 5.0V or 3.3V Supply
* External Current-Setting Resistors Provide Option for Operating Device in Reduced-Power/Reduced-Performance Mode
Elecena nie prowadzi sprzedaży elementów elektronicznych, ani w niej nie pośredniczy.
Produkt pochodzi z oferty sklepu Analog Devices