2A Synchronous -Buck LED Drivers with Integrated MOSFETs
Analog Devices
RSS
Sample
- Darmowa próbka
- MPN:
- MAX20052
- Producent:
- ANALOG DEVICES
- Dodany do bazy:
- Ostatnio widziany:
Sugerowane produkty dla max20053
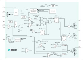
The MAX20050–MAX20053 are high-brightness LED (HB LED) drivers for automotive exterior lighting applications. Consisting of a fully synchronous step-down converter with integrated MOSFETs, the devices are capable of driving a series string of LEDs at up to 2A, with a minimum number of external components. The MAX20050/ MAX20052 utilize internal loop compensation to minimize component count, while the MAX20051/MAX20053/MAX20053D use external compensation for full flexibility.
The wide 4.5V to 65V input supply range supports extreme automotive cold crank and load-dump conditions. A low- and high-switching frequency option (400kHz or 2.1MHz) provides the designer with the flexibility to optimize for solution size or efficiency, while avoiding interference within the AM band. Spread spectrum provides further options for the designer to reduce EMI at the system level. The MAX20050/MAX20051 have an internal switching frequency of 400kHz, while the MAX20052/MAX20053 have an internal switching frequency of 2.1MHz. In addition, the MAX20051B has spread spectrum disabled.
High-side current regulation means only a single connection to the LED string is required; grounding of the string can be done locally. In addition to PWM dimming, the ICs provide analog dimming using the REFI pin. Fullscale current regulation accuracy is ±2.5%, while the accuracy is ±8% at 10% of full-scale over the full temperature range of -40°C to +125°C. A 5V, 10mA LDO output is available for biasing other circuits.
Fault-protection mechanisms include output overload, short-circuit, and device overtemperature protection. The devices are specified for operation over the full -40°C to +125°C temperature range and are available in thermally enhanced 12-pin (3mm x 3mm) TDFN, 14-pin (5mm x 4.4mm) TSSOP, and 24-pin TQFN (4mm x 4mm) packages with an exposed pad.
Design Solution: Driver Monitoring Systems Need a New Breed of IR-LED Drivers ›
Applications
* Clearance Lamps (CLLs) * Commercial, Industrial, and Architectural Lighting * Corner Lamps (CLs) * Daytime Running Lamps (DRLs) * Driver Monitoring Systems (DMS) * Fog Lamps * Head Lamps * Rear Lamps
* Automotive Ready: AEC-Q100 Qualified
* Fully Synchronous 2A Step-Down Converter with Integrated 0.14Ω (typ) MOSFETs
* Wide 4.5V to 65V Input Supply Range
* Two Switching Frequency Options: 400kHz and 2.1MHz
* Internal Loop Compensation (MAX20050/MAX20052) and External Loop Compensation (MAX20051/MAX20053/MAX20053D) Options
* Switching Frequency Synchronized to PWM Dimming Signal
* Active-Low Fault (FLT) Indicator
* Output Short-Circuit Protection
* High-Side Current Regulation Eliminates One Connection to LED String
* Spread-Spectrum Mode Alleviates EMI Problems
* Low 200mV Full-Scale High-Side Current-Sense Voltage
* REFI Pin Adjusts LED Current Down to Zero
* PWM Dimming Disconnects Both High- and Low- Side MOSFET Drivers
* 5V, 10mA LDO Output Provides Bias to Other Circuits
* Ultra-Low Shutdown Current (5µA typ)
* Output Overload, Short-Circuit, and Overtemperature Protections
* 12-Pin (3mm x 3mm) TDFN,14-Pin (5mm x 4.4mm) TSSOP, and 24-pin (4mm x 4mm) TQFN Package Options
Elecena nie prowadzi sprzedaży elementów elektronicznych, ani w niej nie pośredniczy.
Produkt pochodzi z oferty sklepu Analog Devices