elecena.pl

SiGe, High-Linearity, 1600MHz to 3900MHz Upconversion/Downconversion Mixer with LO Buffer

Analog Devices

SiGe, High-Linearity, 1600MHz to 3900MHz Upconversion/Downconversion Mixer with LO Buffer RSS Sample
  • Darmowa próbka
MPN:
MAX2042A
Producent:
ANALOG DEVICES
Dodany do bazy:
Ostatnio widziany:
Zmiana ceny:
-100% (18.01.2025)
Poprzednia cena:
8.10

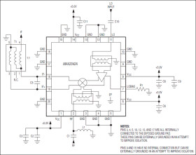
The MAX2042A single, high-linearity upconversion/downconversion mixer provides up to +33dBm input IP3, 7.25dB noise figure, and 7.2dB conversion loss for 1600MHz to 3900MHz GSM/EDGE, CDMA, TD-SCDMA, WCDMA, LTE, TD-LTE, WiMAX™, and MMDS wireless infrastructure applications. With an ultra-wide 1300MHz to 4000MHz LO frequency range, the IC can be used in either low-side or high-side LO injection architectures for virtually all 1.7GHz to 3.5GHz applications (for a 2.5GHz variant tuned specifically for low-side LO injection, refer to the MAX2042).

In addition to offering excellent linearity and noise performance, the IC also yields a high level of component integration. This device includes a double-balanced passive mixer core, an LO buffer, and on-chip baluns that allow for single-ended RF and LO inputs. The IC requires a nominal LO drive of 0dBm, and supply current is typically 140mA at VCC = 5.0V or 122mA at VCC = 3.3V.

The MAX2042A is pin compatible with the MAX2042 2000MHz to 3000MHz mixer. The MAX2042A is also pin similar with the MAX2029/MAX2031/MAX2033 650MHz to 1550MHz mixers, the MAX2039/MAX2041 1700MHz to 3000MHz mixers, and the MAX2044 2300MHz to 4000MHz mixer, making the entire family of upconverters/downconverters ideal for applications where a common PCB layout is used for multiple frequency bands.

The MAX2042A is available in a compact, 20-pin TQFN package (5mm x 5mm) with an exposed pad. Electrical performance is guaranteed over the extended TC = -40°C to +85°C temperature range.

Applications

* 1.8GHz/1.9GHz GSM/EDGE/CDMA Base Stations * 2.1GHz WCDMA/LTE Base Stations * 2.3GHz TD-SCDMA/TD-LTE Base Stations * 2.5GHz WiMAX and LTE Base Stations * 2.7GHz MMDS Base Stations * 3.5GHz WiMAX and LTE Base Stations * Fixed Broadband Wireless Access * Military Systems * Private Mobile Radios * Wireless Local Loop

* Wide-Band Coverage

* 1600MHz to 3900MHz RF Frequency Range

* 1300MHz to 4000MHz LO Frequency Range

* 50MHz to 500MHz IF Frequency Range

* 7.2dB Conversion Loss

* 7.25dB Noise Figure

* High Linearity

* +33dBm Input IP3

* +21.7dBm Input 1dB Compression Point

* 72dBc Typical 2LO - 2RF Spurious Rejection at PRF = -10dBm

* Simple PCB Layout

* Integrated LO Buffer

* Integrated LO and RF Baluns for Single-Ended Inputs

* Low -6dBm to +3dBm LO Drive

* Pin Compatible with the MAX2042 2000MHz to 3000MHz Mixer

* Pin-Similar with the MAX2029/MAX2031/MAX2033 650MHz to 1550MHz Mixers, MAX2039/MAX2041 1700MHz to 3000MHz Mixers, and MAX2044 2300MHz to 4000MHz Mixer

* Single +5.0V or +3.3V Supply

* External Current-Setting Resistor Provides Option for Operating Device in Reduced-Power/Reduced-Performance Mode

Elecena nie prowadzi sprzedaży elementów elektronicznych, ani w niej nie pośredniczy.

Produkt pochodzi z oferty sklepu