SiGe, High-Linearity, 2300MHz to 4000MHz Upconversion/Downconversion Mixer with LO Buffer
Analog Devices
RSS
Sample
- Darmowa próbka
- MPN:
- MAX2044
- Producent:
- ANALOG DEVICES
- Dodany do bazy:
- Ostatnio widziany:
Sugerowane produkty dla max2044
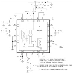
The MAX2044 single, high-linearity upconversion/downconversion mixer provides +32.5dBm input IP3, 8.5dB noise figure, and 7.7dB conversion loss for 2300MHz to 4000MHz LTE, WiMAX™, and MMDS wireless infrastructure applications. With an ultra-wide LO frequency range of 2600MHz to 4300MHz, the MAX2044 can be used in either low-side or high-side LO injection architectures for virtually all 2.5GHz and 3.5GHz applications.
In addition to offering excellent linearity and noise performance, the MAX2044 also yields a high level of component integration. This device includes a double-balanced passive mixer core, an LO buffer, and on-chip baluns that allow for single-ended RF and LO inputs. The MAX2044 requires a nominal LO drive of 0dBm, and supply current is typically 138mA at VCC = 5.0V or 121mA at VCC = 3.3V.
The MAX2044 is pin similar with the MAX2029/MAX2031 650MHz to 1000MHz mixers and the MAX2039/MAX2041/MAX2042 1700MHz to 3000MHz mixers, making this entire family of up/downconverters ideal for applications where a common PCB layout is used for multiple frequency bands.
The MAX2044 is available in a compact 20-pin thin QFN (5mm x 5mm) package with an exposed pad. Electrical performance is guaranteed over the extended -40°C to +85°C temperature range.
Applications
* 2.5GHz WiMAX and LTE Base Stations * 2.7GHz MMDS Base Stations * 3.5GHz WiMAX and LTE Base Stations * Fixed Broadband Wireless Access * Military Systems * Private Mobile Radios * Wireless Local Loop
* 2300MHz to 4000MHz RF Frequency Range
* 2600MHz to 4300MHz LO Frequency Range
* 50MHz to 500MHz IF Frequency Range
* 7.7dB Conversion Loss
* 8.5dB Noise Figure
* +32.5dBm Typical Input IP3
* 21dBm Typical Input 1dB Compression Point
* 68dBc Typical 2RF - 2LO Spurious Rejection at PRF = -10dBm
* Integrated LO Buffer
* Integrated RF and LO Baluns for Single-Ended Inputs
* Low -3dBm to +3dBm LO Drive
* Pin Similar with the MAX2029/MAX2031 Series of 650MHz to 1000MHz Mixers and the MAX2039/MAX2041/MAX2042 Series of 1700MHz to 3000MHz Mixers
* Single 5.0V or 3.3V Supply
* External Current-Setting Resistor Provides Option for Operating Device in Reduced-Power/Reduced-Performance Mode
Elecena nie prowadzi sprzedaży elementów elektronicznych, ani w niej nie pośredniczy.
Produkt pochodzi z oferty sklepu Analog Devices