±15kV ESD-Protected, +5V RS-232 Transceivers
Analog Devices
RSS
Sample
- Darmowa próbka
- MPN:
- MAX206E
- Producent:
- ANALOG DEVICES
- Dodany do bazy:
- Ostatnio widziany:
- Zmiana ceny:
- -100% (19.01.2025)
- Poprzednia cena:
- 6.53
Sugerowane produkty dla max213e
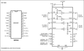
The MAX202E-MAX213E, MAX232E, and MAX241E are a family of RS-232 and V.28 transceivers with high ±15kV ESD HBM protection and integrated charge pump circuitry for single +5V supply operation. The various combinations of features are outlined in the Selector Guide. The drivers and receivers for all ten devices meet all EIA/TIA-232E and CCITT V.28 specifications at data rates up to 120kbps when loaded.
The MAX211E/MAX213E/MAX241E are available in 28-pin SO and SSOP packages. The MAX202E/MAX232E come in 16-pin TSSOP, narrow SO, wide SO, and DIP packages. The MAX203E comes in a 20-pin DIP/SO package, and needs no external charge-pump capacitors. The MAX205E comes in a 24-pin wide DIP package, and also eliminates external charge-pump capacitors.
Applications
* Battery-Powered Equipment * Handheld Equipment * Portable Diagnostics Equipment
* Saves Board Space
* Integrated High ±15kV HBM ESD Protection
* Integrated Charge Pump Circuitry
* Eliminates the Need for a Bipolar ±12V Supply
* Enables Single Supply Operation From +5V Supply
* Integrated 0.1µF Capacitors (MAX203E, MAX205E)
* 24 pin SSOP Package Saves up to 40% Versus SO Package
* Saves Power for Reduced Power Requirements
* 1µA Shutdown Mode
* 15µA Shutdown Mode for MAX213E
Elecena nie prowadzi sprzedaży elementów elektronicznych, ani w niej nie pośredniczy.
Produkt pochodzi z oferty sklepu Analog Devices