elecena.pl

Complete DBS Direct-Conversion Tuner ICs with Monolithic VCOs

Analog Devices

Complete DBS Direct-Conversion Tuner ICs with Monolithic VCOs RSS Sample
  • Darmowa próbka
MPN:
MAX2116
Producent:
ANALOG DEVICES
Dodany do bazy:
Ostatnio widziany:

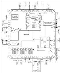
The MAX2116/MAX2118 family of low-cost direct-conversion tuner ICs are designed for use in digital direct broadcast satellite (DBS) television applications, professional VSAT systems, and two-way Internet through satellite applications. These devices set the standard for integration and performance, significantly reducing the required RF know-how for design implementation. Uniquely architected, the MAX2116/MAX2118 simplify direct main board and tuner module designs.

The MAX2116/MAX2118 devices directly convert L-band signals to baseband using a broadband I/Q downconverter. The operating frequency range extends from 850MHz to 2175MHz.

Each IC includes an LNA with gain control, I and Q downconverting mixers, and baseband lowpass filters gain and cutoff frequency control. Together, the RF and baseband variable gain amplifiers provide more than 79dB of gain control range.

The devices include fully monolithic VCOs, as well as a complete frequency synthesizer. Additionally, an on-chip crystal oscillator is provided along with a buffered output for driving additional tuners and demodulators. Synthesizer programming and device configuration are accomplished with a 2-wire serial interface. For multituner applications, each device can be configured to have one of eight possible 2-wire interface addresses.

Simplifying the interface to low-voltage CMOS demodulators, the MAX2116/MAX2118 incorporate two 2.85V regulated outputs for pulling up open-drain interface connections, thus preventing noisy 3V rails from corrupting the sensitive analog signal of the tuners.

The MAX2116/MAX2118 devices are the most versatile family of DBS products available. With both single-ended and differential baseband outputs, these devices are compatible with virtually all QPSK/8-PSK demodulators. The tuners are available in a very small (6mm x 6mm) 40-pin thin QFN package.

Applications

* DSS (U.S.) * DVB * Internet Through Satellite * VSAT

* Fully Integrated VCOs

* Supports 1Mbaud to 45Mbaud, 850MHz to 2175MHz Operation

* 4MHz to 33MHz Tunable LP Filters

* Complete Synthesizer with I²C Interface

* Analog RF VGA and Digital Baseband VGA

* Multiple I²C Addresses for Multituner Applications

* Single-Ended (MAX2116) and Differential (MAX2118) I/Q Interface

Elecena nie prowadzi sprzedaży elementów elektronicznych, ani w niej nie pośredniczy.

Produkt pochodzi z oferty sklepu