elecena.pl

Single-Conversion DVB-H Tuner

Analog Devices

Single-Conversion DVB-H Tuner RSS Sample
  • Darmowa próbka
MPN:
MAX2165
Producent:
ANALOG DEVICES
Dodany do bazy:
Ostatnio widziany:

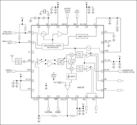
The MAX2165 direct-conversion tuner IC is designed for handheld digital video broadcast (DVB-H) applications. The tuner covers a 470MHz to 780MHz input frequency range and features an I/Q baseband interface.

The MAX2165's direct-conversion architecture eliminates the need for an IF-SAW filter, allowing for reduced bill of materials cost. The design integrates a variable-gain, low-noise amplifier (LNA); a notch filter; an RF tracking filter; a quadrature mixer; a power detector; programmable baseband lowpass channel-selection filters; baseband variable-gain amplifiers (VGA); DC offset correction circuitry; and a complete fractional-N frequency synthesizer. The part is programmable through a 2-wire I²C-compatible serial interface.

The MAX2165 integrates a tuneable notch filter. This filter is designed to notch out interfering signals in the 830MHz to 950MHz frequency range to allow for operation in the presence of large cellular signals. Programmable baseband channel-selection filters allow for operation with 7MHz and 8MHz channels. Digital DC offset correction circuitry supports time-sliced operation by minimizing power-up time delay. The fractional-N synthesizer reduces VCO lock time and minimizes close-in phase noise, eliminating the need for power-hungry, phase-noise reduction algorithms.

The MAX2165 is available in a tiny, 5mm x 5mm x 0.8mm, 28-pin thin QFN package with an exposed paddle. It is specified for operation over the -40°C to +85°C extended temperature range.

Applications

* DMB-T/H Portable Devices * DVB-H Handheld Receivers * DVB-T Portable Devices * ISDB-T Receivers (13 Segment)

* 93mA (typ) Current Consumption from a Single +2.85V Supply Voltage

* 21mW (typ) Average Power Consumption at 8% Duty Cycle

* Direct-Conversion Architecture Eliminates IF-SAW Filter

* Integrated RF Tuneable Notch Filter for Operation in the Presence of Cellular Blockers

* Integrated DC Offset Correction Circuitry

* Integrated RF Notch Filter for Operation in the Presence of Up to -7dBm Cellular Blockers

* Extended UHF Band Operation

* 5mm x 5mm x 0.8mm, 28-Pin Thin QFN Package

Elecena nie prowadzi sprzedaży elementów elektronicznych, ani w niej nie pośredniczy.

Produkt pochodzi z oferty sklepu