elecena.pl

Reinforced, Fast, Low-Power, Six-Channel Digital Isolators

Analog Devices

Reinforced, Fast, Low-Power, Six-Channel Digital Isolators RSS Sample
  • Darmowa próbka
MPN:
MAX22163
Producent:
ANALOG DEVICES
Dodany do bazy:
Ostatnio widziany:
Zmiana ceny:
-100% (22.01.2025)
Poprzednia cena:
4.17

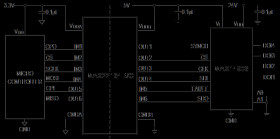
The MAX22163−MAX22166 are a family of six-channel, reinforced, fast, low-power digital galvanic isolators using Analog Devices’ proprietary process technology. All devices feature reinforced isolation with a withstand voltage rating of 3kVRMS for 60 seconds. Both automotive and general-purpose devices are rated for operation at ambient temperature from -40°C to +125°C. Devices with /V suffix are AEC-Q100 qualified. See the Ordering Information for all automotive grade part numbers.

* Industrial

* Isolated SPI, RS-232/422/485, CAN, Digital I/O

* Fieldbus Communications

* Motor Control

* Medical Systems

These devices transfer digital signals between circuits with different power domains, using as little as 0.71mW per channel at 1Mbps (1.8V supply). The low-power feature reduces system dissipation, increases reliability, and enables compact designs. Devices are available with a maximum data rate of either 25Mbps or 200Mbps and with default-high or default-low outputs. The devices feature low propagation delay and low clock jitter, which reduces system latency.

Independent 1.71V to 5.5V supplies on each side also make the devices suitable for use as level translators.

The MAX22163 features three channels transmitting digital signals in one direction and three in opposite; the MAX22164 offers four channels transmitting digital signals in one direction and two in opposite; the MAX22165 provides five channels transmitting digital signals in one direction and one in opposite; the MAX22166 features all six channels transmitting digital signals in one direction.

Applications

* Automotive * Battery Management System (BMS) * Chargers * Hybrid Electric Vehicle * Inverters

* AEC-Q100 Qualification for /V Devices

* Reinforced Galvanic Isolation for Digital Signals

* 16-QSOP with 4mm Creepage and Clearance

* Withstands 3kVRMS for 60s (VISO)

* Continuously Withstands 445VRMS (VIOWM)

* Withstands ±10kV Surge Between GNDA and GNDB with 1.2/50µs Waveform

* High CMTI (50kV/µs, typ)

* Low Power Consumption

* 0.71mW per Channel at 1Mbps with VDD = 1.8V

* 1.34mW per Channel at 1Mbps with VDD = 3.3V

* 3.21mW per Channel at 100Mbps with VDD = 1.8V

* Low Propagation Delay and Low Jitter

* Maximum Data Rate up to 200Mbps

* Low Propagation Delay 7ns (typ) at VDD = 3.3V

* Clock Jitter RMS 11.1ps (typ)

* Safety Regulatory Approvals

* UL According to UL1577

* cUL According to CSA Bulletin 5A

* VDE 0884-11 Reinforced Insulation (Pending)

Elecena nie prowadzi sprzedaży elementów elektronicznych, ani w niej nie pośredniczy.

Produkt pochodzi z oferty sklepu