elecena.pl

Complete RF-to-Baseband Receiver

Analog Devices

Complete RF-to-Baseband Receiver RSS Sample
  • Darmowa próbka
MPN:
MAX2584A
Producent:
ANALOG DEVICES
Dodany do bazy:
Ostatnio widziany:

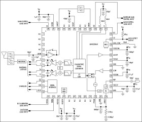
The MAX2584A highly integrated RF-to-baseband receiver supports cellular-band applications such as CDMA and OFDM. The MAX2584A includes an LNA, mixer, baseband filter, PLL, VGA, and an RF VCO. The entire receiver eliminates most of the external components found in other receivers including the IF SAW filter and VCO.

To optimize dynamic range at minimum current, the MAX2584A implements several programmable gain and linearity states, each optimized for minimum current while meeting sensitivity and linearity requirements for as many as four ranges of received signal strength.

The MAX2584A is available in a 7mm x 7mm leadless 48-pin flip-chip (fcLGA) package and is specified over the extended -40°C to +85°C temperature range.

Applications

* IS-2000 1xEV, EV-DO, and EV-DV * IS-95 (CDMA) * OFDM Systems

Elecena nie prowadzi sprzedaży elementów elektronicznych, ani w niej nie pośredniczy.

Produkt pochodzi z oferty sklepu