elecena.pl

Single-Chip Global Positioning System Receiver Front-End

Analog Devices

Single-Chip Global Positioning System Receiver Front-End RSS Sample
  • Darmowa próbka
MPN:
MAX2742
Producent:
ANALOG DEVICES
Dodany do bazy:
Ostatnio widziany:

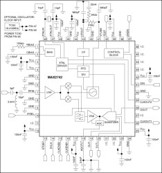
The MAX2742 complete single-chip global positioning system (GPS) RF front-end utilizes many innovative and leading-edge RF CMOS design techniques. This high-performance, state-of-the-art device consumes extremely low power and eliminates the need for costly SAW and bulky discrete IF filters. The MAX2742 incorporates a fully integrated low-noise amplifier (LNA) and mixer, IF section, digital sampler, and local oscillator synthesizer.

The intended input signal for the MAX2742 is the L1 GPS signal 1.57542GHz. This device supports high-accuracy output quantization, which delivers the best performance obtainable for the GPS receiver. The power consumption of the MAX2742 is as low as 32mW at a +2.4V supply.

The MAX2742 is available in a space-saving 48-pin TQFP package and is specified for the extended (-40°C to +85°C) temperature range.

Applications

* Consumer Electronics * Digital Cameras and Camcorders * Emergency Response Systems * Emergency Roadside Assistance * Geographical Information Systems (GISs) * In-Vehicle Navigation Systems (IVNS) * Inventory Management * Location-Based Services (PDAs and Recreational Handheld/Walkie Talkies) * Telematics (Vehicle and Asset Tracking, Inventory Management)

* Complete Single-Chip GPS Front-End Receiver

* Single-Ended or Differential Outputs at 1.023MHz

* Low 4.5dB Typical Noise Figure

* No External IF SAW or Discrete Filters Required

* Very Low 32mW Power Consumption at +2.4V

* Wide +2.4V to +3.6V Operational Supply Voltage Range

* Extended -40°C to +85°C Temperature Range

Elecena nie prowadzi sprzedaży elementów elektronicznych, ani w niej nie pośredniczy.

Produkt pochodzi z oferty sklepu