elecena.pl

±15kV ESD-Protected, 10Mbps, 3V/5V, Low-Power Quad RS-422/RS-485 Receivers

Analog Devices

±15kV ESD-Protected, 10Mbps, 3V/5V, Low-Power Quad RS-422/RS-485 Receivers RSS Sample
  • Darmowa próbka
MPN:
MAX3094E
Producent:
ANALOG DEVICES
Dodany do bazy:
Ostatnio widziany:
Zmiana ceny:
-100% (21.01.2025)
Poprzednia cena:
3.10

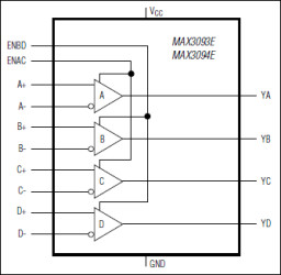
The MAX3093E/MAX3094E are rugged, low-power, quad, RS-422/RS-485 receivers featuring electrostatic discharge (ESD) protection for use in harsh environments. All receiver inputs are protected to ±15kV using IEC 1000-4-2 Air-Gap Discharge, ±8kV using IEC 1000-4-2 Contact Discharge, and ±15kV using the Human Body Model. The MAX3093E operates from a +5V supply, while the MAX3094E operates from a +3.3V supply. Receiver propagation delays are guaranteed to within ±8ns of a predetermined value, thereby ensuring device-to-device matching across production lots.

The devices feature a 1nA low-power shutdown mode in which the receiver outputs are high impedance. When active, these receivers have a fail-safe feature that guarantees a logic-high output if the input is open circuit. They also have a quarter-unit-load input impedance that allows 128 receivers on a bus.

The MAX3093E/MAX3094E are pin-compatible, low-power upgrades to the industry-standard '34C86. They are available in space-saving TSSOP, narrow SO, and PDIP packages.

Applications

* Level Translators * Receivers for ESD-Sensitive Applications * Rugged RS-422/RS-485/RS-423 Bus Receiver * Telecommunications Equipment

* ESD Protection

* ±15kV—IEC 1000-4-2 Air-Gap Discharge

* ±8kV—IEC 1000-4-2 Contact Discharge

* ±15kV—Human Body Model

* Guaranteed Propagation-Delay Tolerance Between All ICs

* ±8ns (MAX3093E)

* ±10ns (MAX3094E)

* Single +3V Operation (MAX3094E)

* Single +5V Operation (MAX3093E)

* 16-Pin TSSOP

* 10Mbps Data Rate

* Allow up to 128 Receivers on the Bus

* 1nA Low-Power Shutdown Mode

* 2.4mA Operating Supply Current

* Pin-Compatible Upgrades to '34C86

Elecena nie prowadzi sprzedaży elementów elektronicznych, ani w niej nie pośredniczy.

Produkt pochodzi z oferty sklepu