3.3V Multiprotocol 3Tx/3Rx Software-Selectable Control Transceivers
Analog Devices
RSS
Sample
- Darmowa próbka
- MPN:
- MAX3173
- Producent:
- ANALOG DEVICES
- Dodany do bazy:
- Ostatnio widziany:
- Zmiana ceny:
- -100% (18.01.2025)
- Poprzednia cena:
- 8.60
Sugerowane produkty dla 3rx
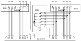
The MAX3171/MAX3173 are three-driver/three-receiver multiprotocol transceivers that operate from a single +3.3V supply. The MAX3171/MAX3173, along with the MAX3170 and MAX3172/MAX3174, form a complete software-selectable data terminal equipment (DTE) or data communications equipment (DCE) interface port that supports V.28 (RS-232) and V.10/V.11 (RS-449, V.36, EIA-530, EIA-530-A, X.21, RS-423) protocols. The MAX3171/MAX3173 transceivers carry the serial interface control signaling; the MAX3170 transceivers carry the clock and data signals. The MAX3172/MAX3174 have an extra transceiver for applications requiring four transceivers for control signaling.
An internal charge pump and proprietary low-dropout transmitter output stage allow V.28, V.11, and V.10 compliant operation from a single +3.3V supply. A no-cable mode is entered when all mode pins (M0, M1, and M2) are pulled high or left unconnected. In no-cable mode, supply current decreases to 2mA and all transmitter and receiver outputs are disabled (high impedance). Short-circuit limiting and thermal-shutdown circuits protect the drivers against excessive power dissipation.
The MAX3171 features 10µs deglitching on the V.10/V.11/V.28 receiver inputs. The MAX3173 is available for applications that do not require deglitching on the serial handshake signals. These parts require only four surface-mount capacitors for charge-pump operation in addition to supply bypassing.
Applications
* CSUs/DSUs * Data Networking * Data Routers * PCI Cards * Telecommunications
Elecena nie prowadzi sprzedaży elementów elektronicznych, ani w niej nie pośredniczy.
Produkt pochodzi z oferty sklepu Analog Devices