elecena.pl

Quad Current-Sense Amplifier with Overcurrent Threshold Comparators

Analog Devices

Quad Current-Sense Amplifier with Overcurrent Threshold Comparators RSS Sample
  • Darmowa próbka
MPN:
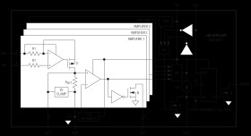
MAX34406
Producent:
ANALOG DEVICES
Dodany do bazy:
Ostatnio widziany:
Zmiana ceny:
-100% (21.01.2025)
Poprzednia cena:
2.16

The MAX34406 is a quad, high-side, unidirectional, current-sense amplifier that offers precision accuracy. It provides analog outputs for each of the four amplifiers that can be routed to an external ADC, and contains four overcurrent comparators with a fixed 1.0V threshold. All four comparators are logically ORed, and the result can be delayed/filtered with an external capacitor before it is fed to a latched common shutdown open-drain output pin.

Applications

* Base Stations * Industrial Controls * Network Switches/Routers * Servers * Smart Grid Network Systems

* Four Precision Current-Sense Amplifiers

* Fixed Gains of 25V/V, 50V/V, 100V/V, and 200V/V

* Less Than ±600µV of Input Offset

* Less Than ±0.6% of Gain Error (T/F/H) or ±0.8% of Gain Error (W)

* Wide 2.0V to 28V Common Mode Range

* Analog Voltage Outputs for Each Amplifier

* Independent Overcurrent Comparators with Fixed 1.0V Threshold

* Low Power Consumption

* -40°C to +85°C Temperature Range

* Small 24-Pin TQFN (4mm x 4mm) Package

Elecena nie prowadzi sprzedaży elementów elektronicznych, ani w niej nie pośredniczy.

Produkt pochodzi z oferty sklepu