1Gbps to 14Gbps, SFP+ Multirate Limiting Amplifier and VCSEL Driver
Analog Devices
RSS
Sample
- Darmowa próbka
- MPN:
- MAX3799
- Producent:
- ANALOG DEVICES
- Dodany do bazy:
- Ostatnio widziany:
- Zmiana ceny:
- -100% (20.01.2025)
- Poprzednia cena:
- 3.99
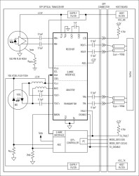
The MAX3799 is a highly integrated limiting amplifier and VCSEL driver that operates up to 14Gbps, making it suitable for Ethernet and Fibre Channel applications. By providing a selectable data path with a noise-shaping filter, the MAX3799 enables a module with 10G optics to be fully compliant with both 1000BASE-SR and 10GBASE-SR specifications. Operating from a single +3.3V supply, this low-power integrated limiting amplifier and VCSEL driver IC enables a platform design for SFP MSA as well as for SFP+ MSA-based optical transceivers. The high-sensitivity limiting amplifier limits the differential input signal generated by a transimpedance amplifier into a CML-level differential output signal. The compact VCSEL driver provides a modulation and a bias current for a VCSEL diode. The optical average power is controlled by an average power control (APC) loop implemented by a controller that interfaces to the VCSEL driver through a 3-wire digital interface. All differential I/Os are optimally back-terminated for a 50Ω transmission line PCB design.
The use of a 3-wire digital interface reduces the pin count while enabling advanced Rx (rate selection, LOS threshold, LOS squelch, LOS polarity, CML output level, signal path polarity, deemphasis, and fast mode-select change time) and Tx settings (modulation current, bias current, polarity, and eye safety control) without the need for external components. The MAX3799 provides multiple current and voltage DACs to allow the use of low-cost controller ICs.
The MAX3799 is packaged in a lead-free, 5mm x 5mm, 32-pin TQFN package.
Applications
* 1000BASE-SR/10GBASE-SR Multirate SFP+ Optical Transceiver * 1x/2x/4x/8x/16x SFF/SFP/SFP+ MSA Fibre Channel (FC) Optical Transceiver
* Enables Single-Module Design Compliance with 1000BASE-SR and 10GBASE-SR Specifications* -21.5dBm Optical Sensitivity at 1.25Gbps Using a 10.32Gbps ROSA (-19.7dBm OMA)* Low Power Dissipation of 320mW at 3.3V Power Supply* Typical Electrical Performance of 14.025Gbps on Rx/Tx (Non-Retimed 16x Fibre Channel Solution)* 3mVP-P Receiver Sensitivity at 10.32Gbps* 4psP-P DJ at Receiver Output at 8.5Gbps 8B/10B* 4psP-P DJ at Receiver Output at 10.32Gbps 231 - 1 PRBS
Elecena nie prowadzi sprzedaży elementów elektronicznych, ani w niej nie pośredniczy.
Produkt pochodzi z oferty sklepu Analog Devices