elecena.pl

Audio Processor with Pushbutton Interface

Analog Devices

Audio Processor with Pushbutton Interface RSS Sample
  • Darmowa próbka
MPN:
MAX5406
Producent:
ANALOG DEVICES
Dodany do bazy:
Ostatnio widziany:

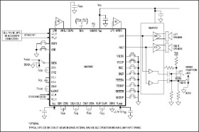
The MAX5406 stereo audio processor provides a complete audio solution with volume, balance, bass, and treble controls. It features dual 32-tap logarithmic potentiometers for volume control, dual potentiometers for balance control, and linear digital potentiometers for tone control. A simple debounced pushbutton interface controls all functions. The MAX5406 advances the wiper setting once per button push. Maxim's proprietary SmartWiper™ control eliminates the need for a microcontroller (µC) to increase the wiper transition rate. Holding the control input low for more than 1s advances the wiper at a rate of 4Hz for 4s and 16Hz thereafter. An integrated click/pop suppression feature eliminates the audible noise generated by the wiper's movements.

The MAX5406 provides a subwoofer output that internally combines the left and right channels. An external filter capacitor allows for a customized cut-off frequency for the subwoofer output. A bass-boost mode enhances the low-frequency response of the left and right channels. An integrated bias amplifier generates the required (VDD + VSS) / 2 bias voltage, eliminating the need for external op amps for unipolar operation.

The MAX5406 also features ambience control to enhance the separation of the left- and right-channel outputs for headphones and desktop speakers systems, and a pseudostereo feature that approximates stereo sound from a monophonic signal.

The MAX5406 is available in a 7mm x 7mm, 48-pin TQFN package and in a 48-pin TSSOP package and is specified over the extended (-40°C to +85°C) temperature range.

Applications

* Desktop Speakers * Flat-Screen TVs * Karaoke Machines * PDAs or MP3 Player Docking Stations * Portable Audio

Elecena nie prowadzi sprzedaży elementów elektronicznych, ani w niej nie pośredniczy.

Produkt pochodzi z oferty sklepu