elecena.pl

Octal, 13-Bit Voltage-Output DAC with Parallel Interface

Analog Devices

Octal, 13-Bit Voltage-Output DAC with Parallel Interface RSS Sample
  • Darmowa próbka
MPN:
MAX547
Producent:
ANALOG DEVICES
Dodany do bazy:
Ostatnio widziany:
Zmiana ceny:
-100% (22.01.2025)
Poprzednia cena:
54.57

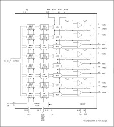
The MAX547 contains eight 13-bit, voltage-output digital-to-analog converters (DACs). On-chip precision output amplifiers provide the voltage outputs. The MAX547 operates from a ±5V supply. Bipolar output voltages with up to ±4.5V voltage swing can be achieved with no external components. The MAX547 has four separate reference inputs; each is connected to two DACs, providing different full-scale output voltages for every DAC pair.

The MAX547 features double-buffered interface logic with a 13-bit parallel data bus. Each DAC has an input latch and a DAC latch. Data in the DAC latch sets the output voltage. The eight input latches are addressed with three address lines. Data is loaded to the input latch with a single write instruction. An asynchronous load (active-low LD) input transfers data from the input latch to the DAC latch. The four active-low LD inputs each control two DACs, and all DAC latches can be updated simultaneously by asserting all active-low LD pins. An asynchronous clear (active-low CLR) input resets the output of all eight DACs to AGND. Asserting active-low CLR resets both the DAC and the input latch to bipolar zero (1000hex). On power-up, reset circuitry performs the same function as active-low CLR. All logic inputs are TTL/CMOS compatible.

The MAX547 is available in 44-pin plastic quad flat pack and 44-pin PLCC packages.

Applications

* Automated Test Equipment (ATE) * Avionics and Military Systems * Digital Gain and Offset Control * General Purpose * Industrial Process Controls

* Full 13-Bit Performance without Adjustments

* 8 DACs in One Package

* Buffered Voltage Outputs

* Calibrated Linearity

* Guaranteed Monotonic to 13 Bits

* ±5V Supply Operation

* Unipolar or Bipolar Outputs Swing to ±4.5V

* Fast Output Settling (5µs to ±1/2LSB)

* Double-Buffered Digital Inputs

* Asynchronous Load Inputs Load Pairs of DAC Latches

* Asynchronous active-low CLR Input Resets DACs to Analog Ground

* Power-On Reset Circuit Resets DACs to Analog Ground

* Microprocessor and TTL/CMOS Compatible

Elecena nie prowadzi sprzedaży elementów elektronicznych, ani w niej nie pośredniczy.

Produkt pochodzi z oferty sklepu