elecena.pl

10-Bit, Low-Power, Dual, Voltage-Output DAC with Serial Interface

Analog Devices

10-Bit, Low-Power, Dual, Voltage-Output DAC with Serial Interface RSS Sample
  • Darmowa próbka
MPN:
MAX5721
Producent:
ANALOG DEVICES
Dodany do bazy:
Ostatnio widziany:
Zmiana ceny:
-100% (18.01.2025)
Poprzednia cena:
5.81

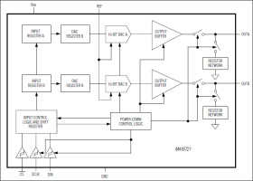
The MAX5721 dual 10-bit, low-power, buffered voltage-output, digital-to-analog converter (DAC) is packaged in a space-saving 8-pin µMAX® package (5mm x 3mm). The wide supply voltage range of +2.7V to +5.5V and 112µA supply current accommodate low-power and low-voltage applications. DAC outputs employ on-chip precision output amplifiers that swing rail-to-rail. The MAX5721's reference input accepts a voltage range from 0 to VDD. In power-down the reference input is high impedance, further reducing the system's total power consumption.

The 20MHz, 3-wire SPI™, QSPI™, MICROWIRE™ and DSP-compatible serial interface saves board space and reduces the complexity of opto- and transformer-isolated applications. The MAX5721 on-chip power-on reset (POR) circuit resets the DAC outputs to zero and loads the output with a 100kΩ resistor to ground. This provides additional safety for applications that drive valves or other transducers that need to be off on power-up. The MAX5721's software-controlled power-down reduces supply current to less than 0.3µA and provides software-selectable output loads (1kΩ , 100kΩ , or high impedance) while in power-down. The MAX5721 is specified over the -40°C to +125°C automotive temperature range

Applications

* Automatic Tuning * Battery-Powered Instruments * Gain and Offset Adjustment * Power Amplifier Control * Process-Control I/O Boards * VCO Control

* Ultra-Low Power Consumption

* 112µA at VDD = +3.6V

* 135µA at VDD = +5.5V

* Wide +2.7V to +5.5V Single-Supply Range

* Tiny 8-Pin µMAX Package

* 0.3µA Power-Down Current

* Guaranteed 10-Bit Monotonicity (±1 LSB DNL)

* Safe Power-Up Reset to Zero Volts at DAC Output

* Three Software Selectable Power-Down Impedances (100kΩ, 1kΩ, Hi-Z)

* Fast 20MHz, 3-Wire SPI, QSPI, and MICROWIRE-Compatible Serial Interface

* Rail-to-Rail Output Buffer Amplifiers

* Schmitt-Triggered Logic Inputs for Direct Interface to Optocouplers

* Wide -40°C to +125°C Operating Temperature Range

Elecena nie prowadzi sprzedaży elementów elektronicznych, ani w niej nie pośredniczy.

Produkt pochodzi z oferty sklepu