32-Channel, 14-Bit, Voltage-Output DACs with Serial Interface
Analog Devices
RSS
Sample
- Darmowa próbka
- MPN:
- MAX5753
- Producent:
- ANALOG DEVICES
- Dodany do bazy:
- Ostatnio widziany:
Sugerowane produkty dla max5753
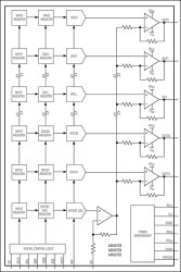
The MAX5753/MAX5754/MAX5755 are 32-channel, 14- bit, voltage-output, digital-to-analog converters (DACs). All devices accept a 3V external reference input. The devices include an internal offset DAC that allows all the outputs to be offset and a ground-sensing function, allowing output voltages to be referenced to a remote ground.
A 33MHz SPI-/QSPI-/MICROWIRE- and digital signal processor (DSP)-compatible serial interface controls the MAX5753/MAX5754/MAX5755. Each DAC has a double-buffered input structure that helps minimize the digital noise feedthrough from the digital inputs to the outputs, and allows for synchronous or asynchronous updating of the outputs. The MAX5753/MAX5754/MAX5755 also provide a DOUT that allows for read-back or daisy chaining multiple devices. The devices provide separate power inputs for the analog and digital sections and provide separate power inputs for the output buffer amplifiers. The MAX5753/MAX5754/MAX5755 include proprietary deglitch circuits to prevent output glitches at power-up and eliminate the need for power sequencing. The devices provide a software-shutdown mode to allow efficient power management. The MAX5753/MAX5754/MAX5755 consume 50µA of supply current in shutdown.
The MAX5753/MAX5754/MAX5755 provide buffered outputs that can drive 10kΩ in parallel with 100pF. The MAX5753 has a 0 to +10V range; the MAX5754 has a -2.5V to +7.5V range; the MAX5755 has a -5V to +5V range. The MAX5753/MAX5754/MAX5755 are available in 56-pin, 8mm x 8mm, thin QFN or 64-pin thin QFP packages and operate over the 0°C to +85°C temperature range.
Applications
* Arbitrary Function Generators * Automatic Test Systems * Avionics Equipment * Digital Offset/Gain Adjustment * Industrial Process Controls * Optical Router Controls
Elecena nie prowadzi sprzedaży elementów elektronicznych, ani w niej nie pośredniczy.
Produkt pochodzi z oferty sklepu Analog Devices