elecena.pl

32-Channel, 16-Bit, Voltage-Output DACs with Serial Interface

Analog Devices

32-Channel, 16-Bit, Voltage-Output DACs with Serial Interface RSS Sample
  • Darmowa próbka
MPN:
MAX5764
Producent:
ANALOG DEVICES
Dodany do bazy:
Ostatnio widziany:

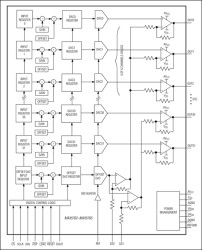
The MAX5762–MAX5765 32-channel, 16-bit, voltage-output, digital-to-analog converters (DACs) are ideal for applications requiring a high number of programmable voltages. The MAX5762–MAX5765 can be programmed to calibrate the 16-bit input data word for gain and offset errors before updating the DAC output.

An SPI™-/QSPI™-/MICROWIRE™- or DSP-compatible serial interface controls the MAX5762–MAX5765. Each DAC channel has its own input, gain, and offset register. These three registers pass data through one of the two multiplier accumulator units (MACs), resulting in a voltage output corrected for gain and offset error. Each DAC channel has a double-buffered input structure to minimize the digital-noise feedthrough from the digital inputs to the outputs, and allows for synchronous or asynchronous updating of the outputs. The DAC outputs update independently or simultaneously with a single software or hardware command. The MAX5762–MAX5765 also provide a digital output (DOUT) that allows for readback or daisy chaining of multiple devices.

All DAC outputs are buffered and drive 10kΩ in parallel with 100pF. The MAX5762 has a 0 to +5V output range; the MAX5763 has a 0 to +10V output range; the MAX5764 has a -2.5V to +7.5V output range; and the MAX5765 has a -5V to +5V output range.

The MAX5762–MAX5765 are available in a 68-pin, 10mm x 10mm, TQFN package and a 64-pin, 12mm x 12mm, TQFP package. The MAX5762–MAX5765 are specified over the 0°C to +85°C temperature range. Refer to the MAX5732–MAX5735 data sheet for similar 16-bit, 32-channel DACs without offset and gain calibration.

Applications

* Arbitrary Function Generators * Automatic Test Systems * Avionics Equipment * Digital Offset/Gain Adjustment * Industrial Process Controls * Minimum Component Count Analog Systems * Optical Router Controls

* Digital Offset and Gain Correction for Each DAC Channel

* Guaranteed Monotonic to 16 Bits

* 32 Individual DACs in a 10mm x 10mm, 68-Pin TQFN Package or 12mm x 12mm, 64-Pin TQFP Package

* Output Voltage Ranges

* 0 to +5V (MAX5762)

* 0 to +10V (MAX5763)

* -2.5V to +7.5V (MAX5764)

* -5V to +5V (MAX5765)

* Buffered Voltage Outputs Drive 10kΩ || 100pF

* Glitch-Free Power-Up

* SPI/QSPI/MICROWIRE- and DSP-Compatible 33MHz Serial Interface

Elecena nie prowadzi sprzedaży elementów elektronicznych, ani w niej nie pośredniczy.

Produkt pochodzi z oferty sklepu